EasyManua.ls Logo

DCT Syrus - Vehicle Power Switch Configuration

DCT Syrus
53 pages
Print Icon
To Next Page IconTo Next Page
To Next Page IconTo Next Page
To Previous Page IconTo Previous Page
To Previous Page IconTo Previous Page
Loading...
rev1 – Dec 2013 www.digitalcomtech.com 11
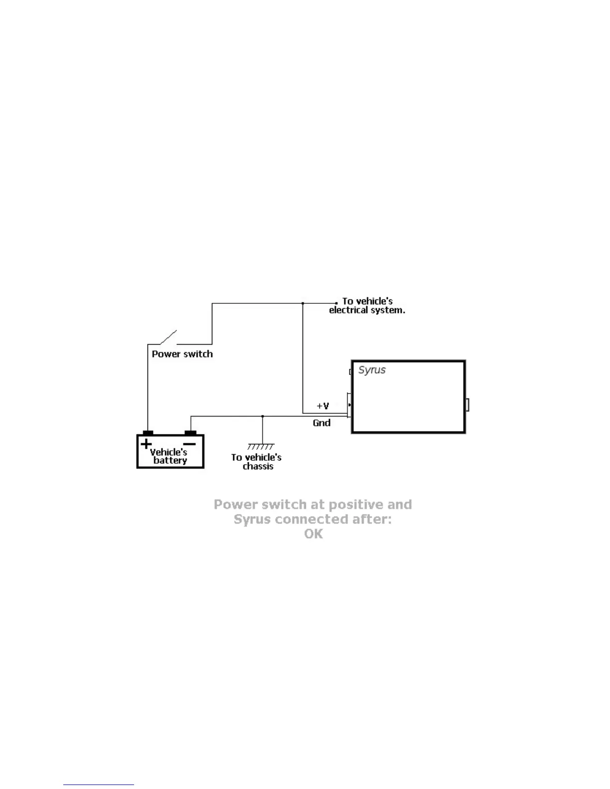
Vehicles with a main power switch
When the vehicle has a main power switch to cut/restore the battery voltage, some
recommendations have to be followed:
o If the switch disconnects the positive voltage of the vehicle's battery,
the Syrus can be connected before or after the switch. When connected before it
will keep on receiving the vehicle's power whenever the switch is off. If it is
connected after the switch, the unit will run with its optional back up battery
whenever the switch is turned off.
See the following figures for a better understanding of connecting the unit when the
vehicle uses a main power switch:

Table of Contents