EasyManua.ls Logo

Delta ASD-B2-0421-B - Basic Wiring; Included) and Models below

Delta ASD-B2-0421-B
345 pages
Print Icon
To Next Page IconTo Next Page
To Next Page IconTo Next Page
To Previous Page IconTo Previous Page
To Previous Page IconTo Previous Page
Loading...
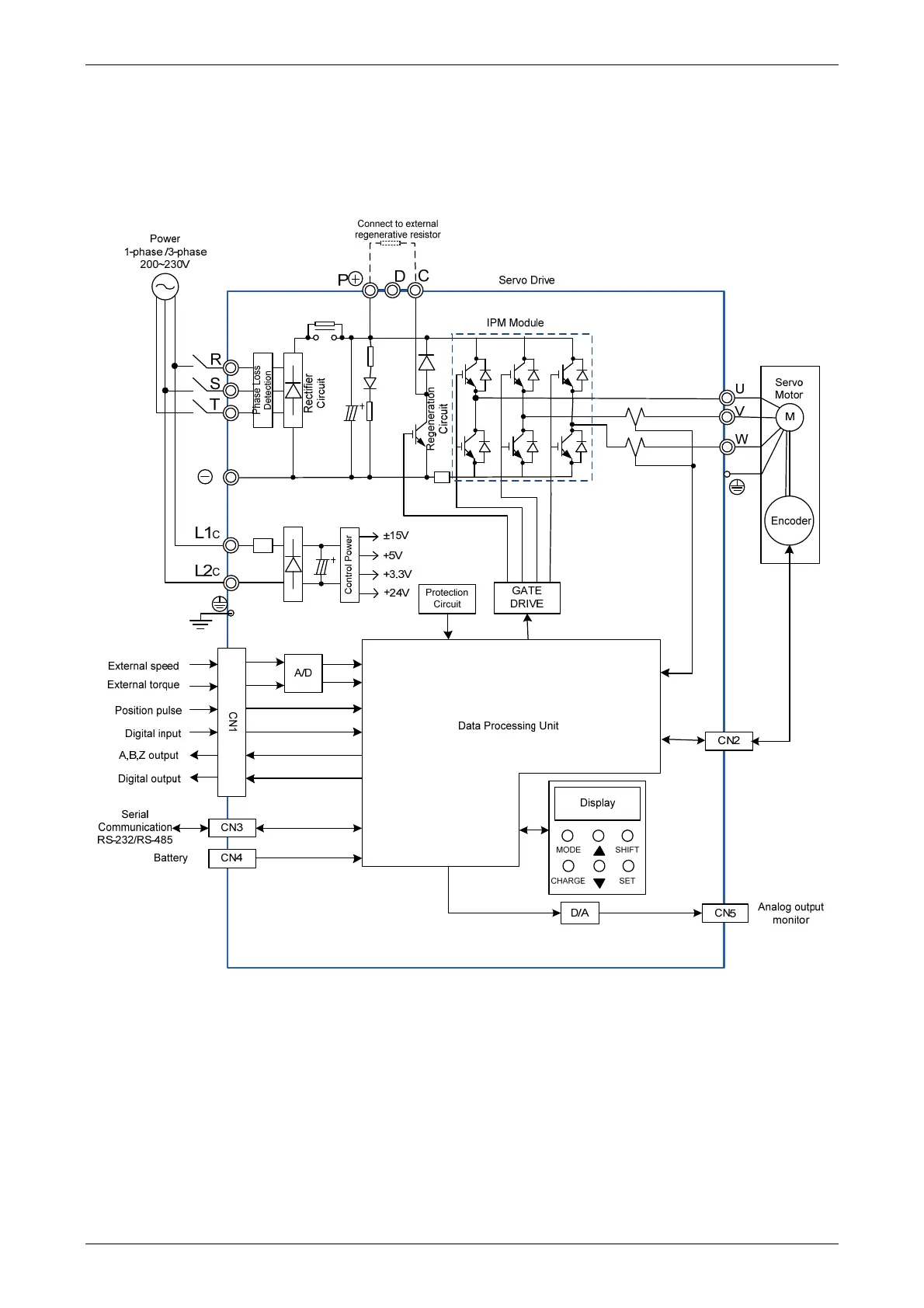
Chapter 3 Wiring ASDA-B2
3-14 Revision May, 2018
3.2 Basic Wiring
3.2.1 200 W (included) and Models Below
(without built-in regenerative resistor and cooling fan)

Table of Contents

Related product manuals