EasyManua.ls Logo

Delta ASD-B2-0421-B - 6.3 Speed Mode

Delta ASD-B2-0421-B
345 pages
Print Icon
To Next Page IconTo Next Page
To Next Page IconTo Next Page
To Previous Page IconTo Previous Page
To Previous Page IconTo Previous Page
Loading...
Chapter 3 Wiring ASDA-B2
3-40 Revision May, 2018
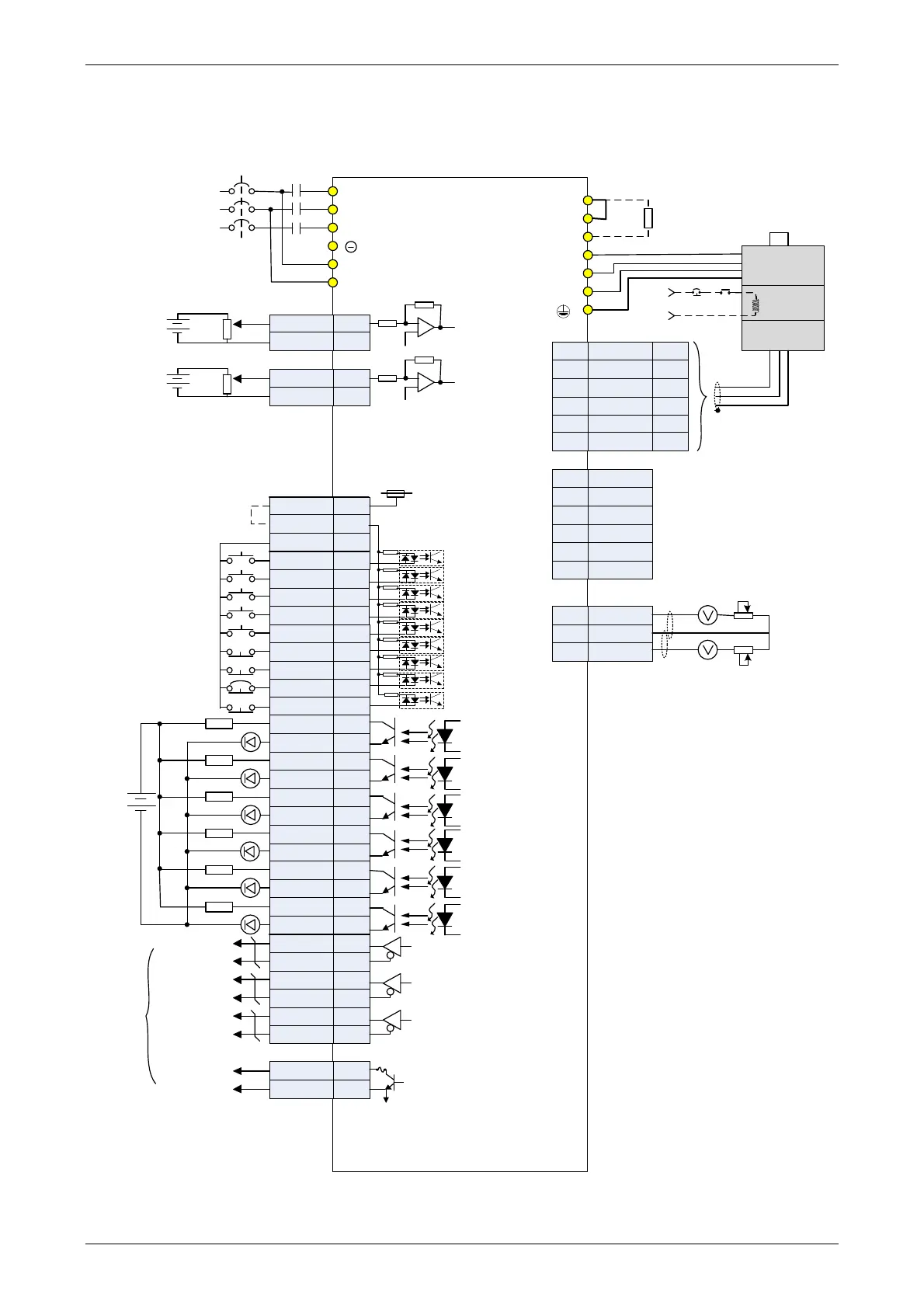
3.7.2 Speed Control Mode
OCZ
GND
44
19
10
34
8
DI7
SIGN
T_REF
GND
DI1
VDD
COM+
COM-
DI2
DI3
DI8
DI9
DO1+
/OA
OA
OB
/OB
/OZ
OZ
/SIGN
18
19
20
19
17
V_REF
GND
14
9
33
32
31
30
12
5
6
4
3
2
1
28
26
27
16
7
21
22
24
13
15
25
23
T+
T-
-
+5V
-
GND
5
Reserved
6,7
8
4
RS485+
RS232_RX
RS232_TX
GND
RS485-
-
5
6
4
3
1
2
CN2
CN3
CN1
-
-
P
D
C
U
V
W
R
S
T
L1c
L2c
MC
MCCB ASDA-B2 series
SG
BRKREMGS
24V
AC 200/230 V
Three-phase
50/60Hz
2
3
11
DI4
DI5
DI6
DO1-
DO2+
DO2-
DO3+
DO3-
DO4+
DO4-
DO5+
DO5-
DO6+
DO6-
DC 24V
1.5KΩ
1.5KΩ
1.5KΩ
1.5KΩ
1.5KΩ
SRDY
ZSPD
BRKR
TSPD
ALRM
24V
1.5KΩ
0
5 KΩ
5 KΩ
5 KΩ
5 KΩ
5 KΩ
5 KΩ
5 KΩ
5 KΩ
5 KΩ
Reserved
GND
MON1
MON2
3
1
2
CN5
SG
10KΩ
10KΩ
10KΩ
10KΩ
±10V
10KΩ
±10V
10KΩ
10KΩ
* 1
0
SON
TRQLM
SPD0
SPD1
ARST
CWL
CCWL
EMGS
Red
White
Black
Green
Twisted-pair or
twisted-shield
cable
Blue&
Black
Servo Drive
A phase
differential signal
B phase
differential signal
Z phase
differential signal
Z phase signal
(open-collector)
Encoder
pulse
output
Regenerative
resistor
Brake
Power supply
Encoder
Red/Red&
White
Black/Black
&White
Twisted-pair or
twisted-shield
cable
Blue
10KΩ
Max. output current 3A
Voltage 50V
Please note:
*1. Please refer to C9 ~ C12 wiring
diagrams (SINK / SOURCE mode) in
section 3.3.3.
*2. The servo drive provides built-in
regenerative resistor.
*3. The brake coil has no polarity.

Table of Contents

Related product manuals