EasyManua.ls Logo

Delta ASD-B2-0421-B - Torque Control Mode

Delta ASD-B2-0421-B
345 pages
Print Icon
To Next Page IconTo Next Page
To Next Page IconTo Next Page
To Previous Page IconTo Previous Page
To Previous Page IconTo Previous Page
Loading...
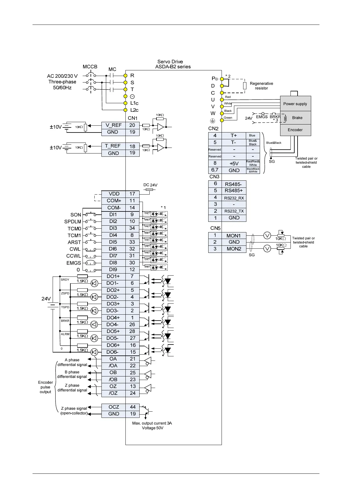
ASDA-B2 Chapter 3 Wiring
Revision May, 2018 3-41
3.7.3 Torque Control Mode
Please note:
*1. Please refer to C9 ~ C12 wiring
diagrams (SINK / SOURCE mode) in
section 3.3.3.
*2. The servo drive provides built-in
regenerative resistor.
*3. The brake coil has no polarity.

Table of Contents

Related product manuals