EasyManua.ls Logo

Delta ASD-B2-0421-B - 750 W Models

Delta ASD-B2-0421-B
345 pages
Print Icon
To Next Page IconTo Next Page
To Next Page IconTo Next Page
To Previous Page IconTo Previous Page
To Previous Page IconTo Previous Page
Loading...
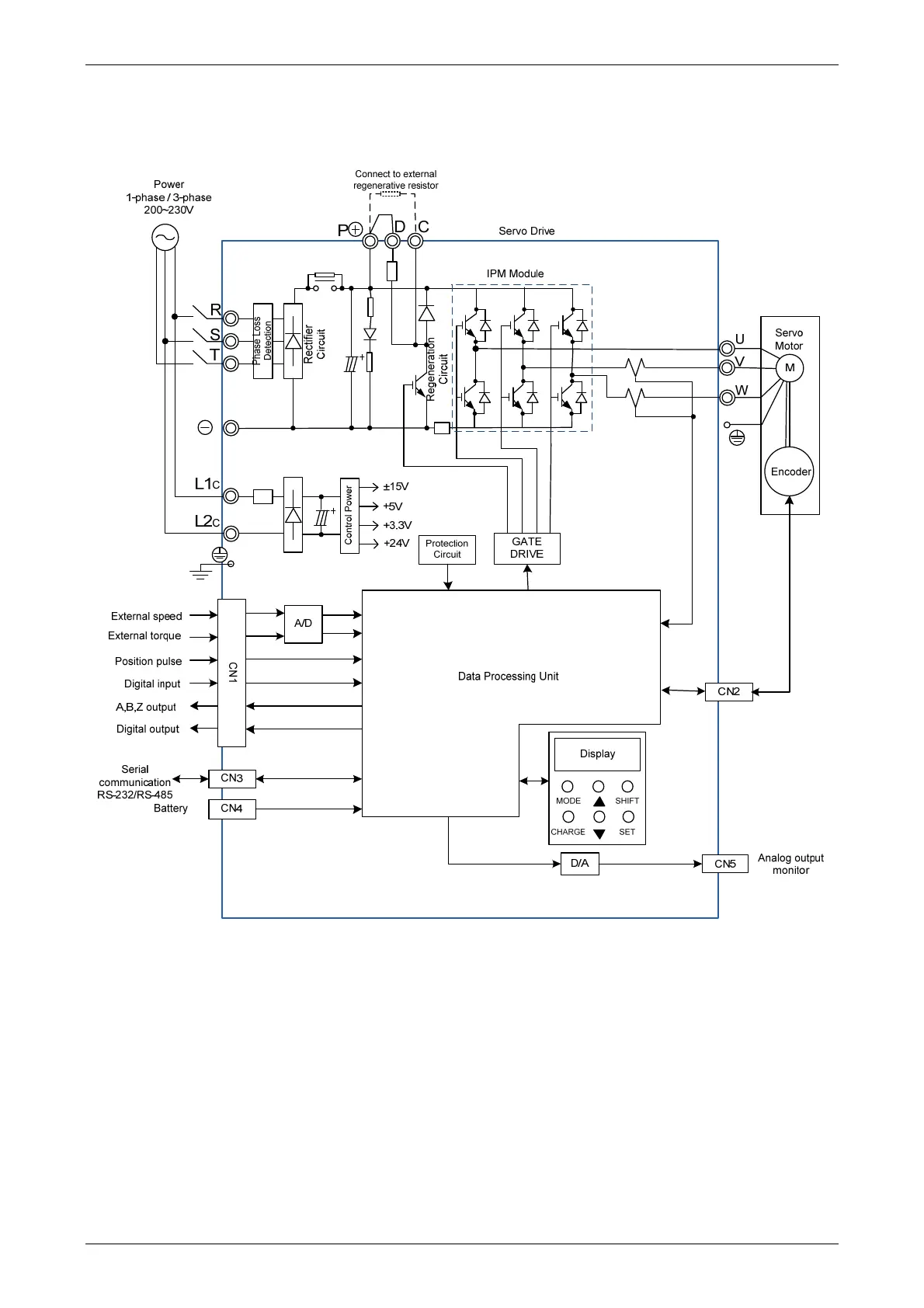
ASDA-B2 Chapter 3 Wiring
Revision May, 2018 3-15
3.2.2 400 W ~ 750 W Models
(with built-in regenerative resistor, but without cooling fan)

Table of Contents

Related product manuals