EasyManua.ls Logo

Delta ASD-B2-0421-B - Standard Connection Example; Position (PT) Control Mode

Delta ASD-B2-0421-B
345 pages
Print Icon
To Next Page IconTo Next Page
To Next Page IconTo Next Page
To Previous Page IconTo Previous Page
To Previous Page IconTo Previous Page
Loading...
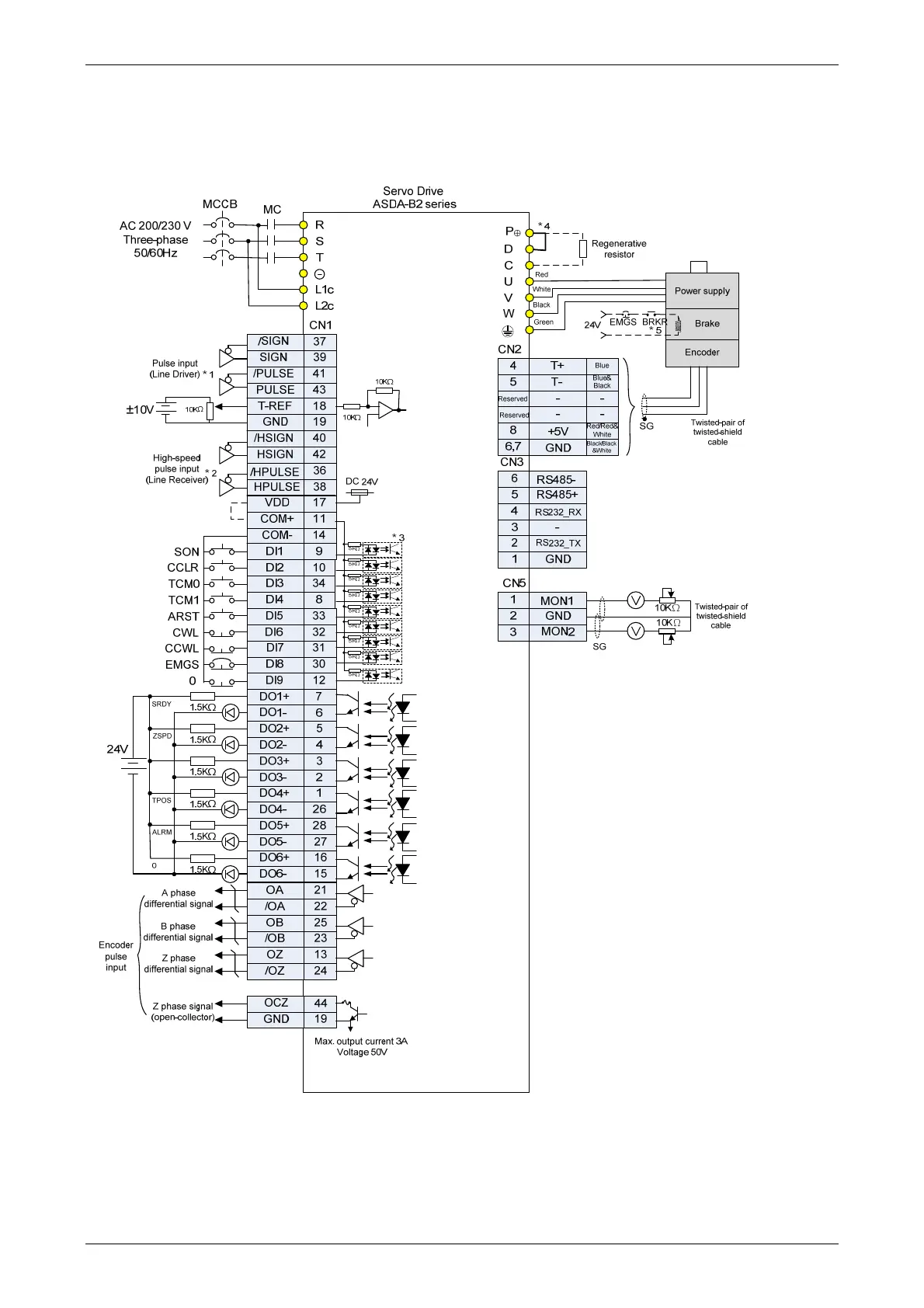
ASDA-B2 Chapter 3 Wiring
Revision May, 2018 3-39
3.7 Standard Connection Example
3.7.1 Position (PT) Control Mode
Please note:
*1. Please refer to C3 ~ C4 wiring diagrams
in section 3.3.3.
*2. Please refer to C3 ~ C4 wiring diagrams
in section 3.3.3.
*3. Please refer to C9 ~ C12 wiring
diagrams (SINK / SOURCE mode) in
section 3.3.3.
*4. Model that under 200W has no built-in
regenerative resistor.
*5. The brake coil has no polarity.

Table of Contents

Related product manuals