EasyManua.ls Logo

Delta ASD-B2-0421-B - Page 68

Delta ASD-B2-0421-B
345 pages
Print Icon
To Next Page IconTo Next Page
To Next Page IconTo Next Page
To Previous Page IconTo Previous Page
To Previous Page IconTo Previous Page
Loading...
ASDA-B2 Chapter 3 Wiring
Revision May, 2018 3-29
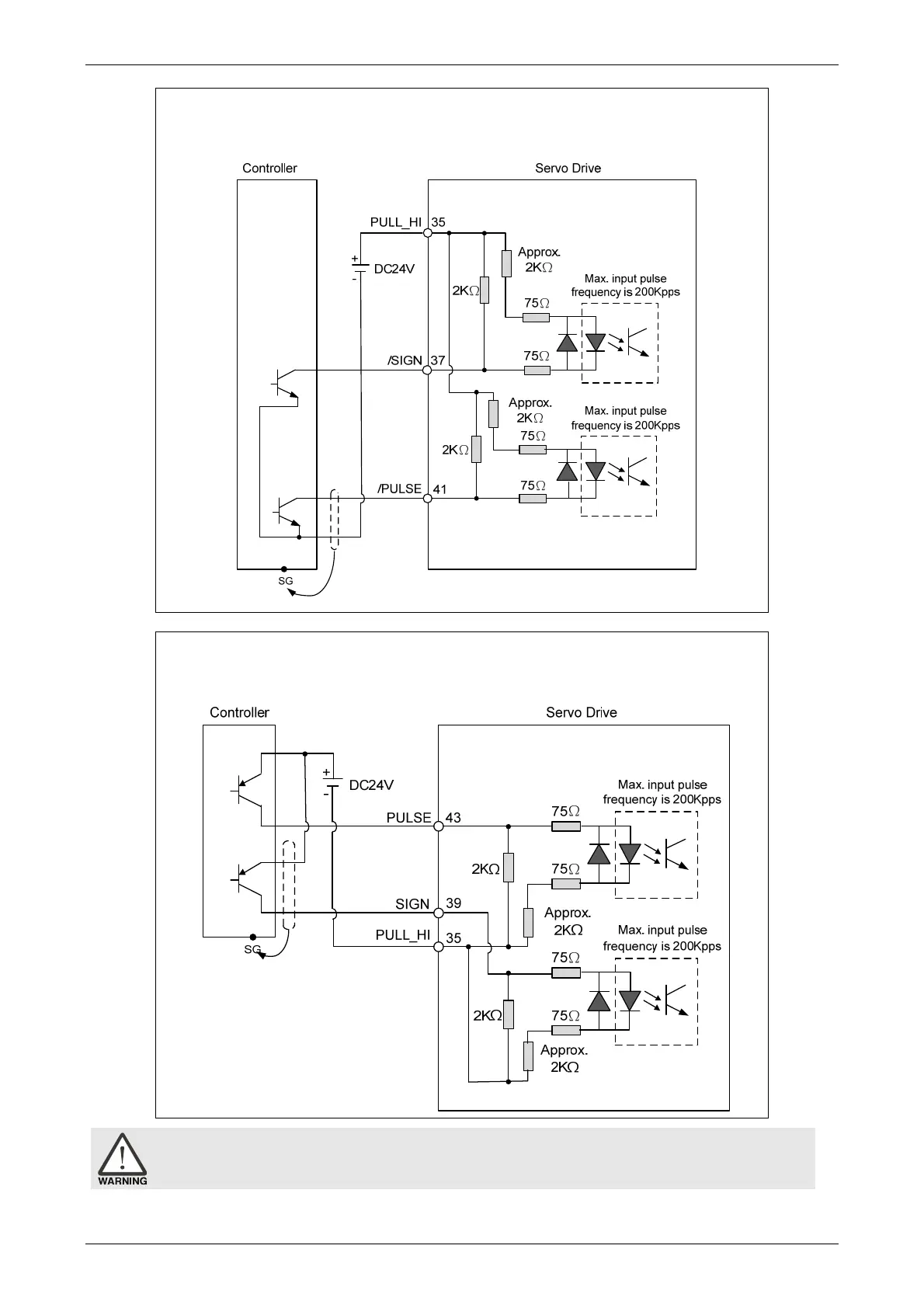
C3-3: The source of pulse input is open-collector NPN equipment which applies the
external power of the servo drive.
C3-4: The source of pulse input is open-collector PNP equipment which applies the
external power of the servo drive.
Caution: Do not apply to dual power or it may damage the servo drive.

Table of Contents

Related product manuals