EasyManua.ls Logo

Delta CFP2000 Series - Page 103

Delta CFP2000 Series
756 pages
Print Icon
To Next Page IconTo Next Page
To Next Page IconTo Next Page
To Previous Page IconTo Previous Page
To Previous Page IconTo Previous Page
Loading...
Chapter 7 Optional Accessories CFP2000
7-18
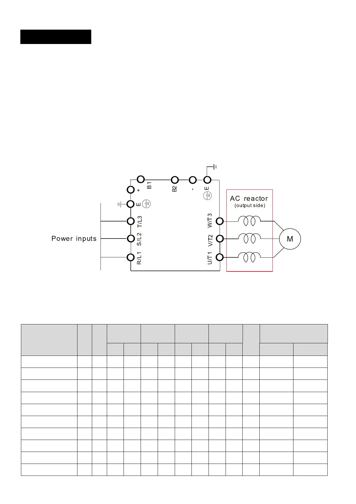
AC Output Reactor
When using drives in long wiring output application, ground fault (GFF), over-current (oc) and motor
over-voltage (ov) often occur. GFF and oc cause errors due to the drive’s self-protective mechanism;
over-voltage damages motor insulation.
The excessive length of the output wires makes the grounded stray capacitance too large, increase
the three-phase output common mode current, and the reflected wave of the long wires makes the motor
dv / dt and the motor terminal voltage too high. Thus, installing a reactor on the drive’s output side can
increase the high-frequency impedance to reduce the dv / dt and terminal voltage to protect the motor.
Installation
Install an AC output reactor in series between the three output phases U V W and the motor, as shown in
the figure below:
Wiring an AC output reactor
Specifications of AC output reactors (standard item)
Following tables show the standard AC output reactors specification of Delta CFP2000:
380V–460V / 50–60 Hz
Model kW HP
Rated Amps of
AC Reactor
(Arms)
Max. continuous
Amps (Arms)
3%
Impedance
(mH)
5%
Impedance
(mH)
Built-in
DC
reactor
3% Input AC reactor
Delta part #
Normal
Duty
Light
Duty
Normal
Duty
Light
Duty
Normal
Duty
Light
Duty
Normal
Duty
Light
Duty
Normal Duty Light Duty
VFD007FP4EA-41/-52
/ VFD007FP4EA-52S
0.75 1
1.7 3 2.72 3.6 14.918 8.102 24.863 13.503 Yes DR003L0810* DR003L0810
VFD015FP4EA-41/-52
/ VFD015FP4EA-52S
1.5 2
3 4.2 4.8 5.04 8.102 6.077 13.503 10.128 Yes DR003L0810 DR004L0607
VFD022FP4EA-41/-52
/ VFD022FP4EA-52S
2.2 3
4 5.5 6.4 6.6 6.077 4.050 10.128 6.75 Yes DR004L0607 DR006L0405
VFD037FP4EA-41/-52
/ VFD037FP4EA-52S
3.7 5
6 8.5 9.6 10.2 4.050 2.700 6.75 4.5 Yes DR006L0405 DR009L0270
VFD040FP4EA-41/-52
/ VFD040FP4EA-52S
4 5
9 10.5 14.4 12.6 2.700 2.315 4.5 3.858 Yes DR009L0270 DR010L0231
VFD055FP4EA-41/-52
/ VFD055FP4EA-52S
5.5 7.5
10.5 13 16.8 15.6 2.315 2.025 3.858 3.375 Yes DR010L0231 DR012L0202
VFD075FP4EA-41/-52
/ VFD075FP4EA-52S
7.5 10
12 18 19.2 21.6 2.025 1.35 3.375 2.25 Yes DR012L0202 DR018L0117
VFD110FP4EA-41/-52
/ VFD110FP4EA-52S
11 15
18 24 28.8 28.8 1.35 1.01 2.25 1.683 Yes DR018L0117 DR024LP881
VFD150FP4EA-41/-52
/ VFD150FP4EA-52S
15 20
24 32 38.4 38.4 1.01 0.76 1.683 1.267 Yes DR024LP881 DR032LP660
VFD185FP4EA-41/-52
/ VFD185FP4EA-52S
18.5 25
32 38 51.2 45.6 0.76 0.639 1.267 1.065 Yes DR032LP660 DR038LP639
Figure 7-20

Table of Contents