EasyManua.ls Logo

Delta EtherCAT CMM-EC03 - Grounding

Delta EtherCAT CMM-EC03
64 pages
Print Icon
To Next Page IconTo Next Page
To Next Page IconTo Next Page
To Previous Page IconTo Previous Page
To Previous Page IconTo Previous Page
Loading...
EtherCAT Communication Card: CMM-EC02/ CMM-EC03
CMM-EC02/ CMM-EC03 Operation Manual
11
Grounding
You must ground the communication card when wiring CMM-EC02/ CMM-EC03. The
ground terminal is included in the communication card package, as shown in Fig.2-7.
Recommended wire size for grounding:
Wire gauge 1620 AWG
Category 5 (Cat5 / Cat5e), Class D or above cable according to ISO/IEC 24702
(ISO/IEC 11801-3) and EIA/TIA 568-A-5
Maximum cable length 100 m
Installation of the ground terminal:
When grounding, it is recommended to use grounding specifically for communication
or clean grounding
The PE terminal for CMM-EC02/ CMM-EC03 includes PE1 and PE2. It is
recommended to ground PE1 and PE2 at the same time and adjust according to
actual situation.
PE1 (communication reference ground): connects to communication reference ground
internally. Connecting PE1 to the ground reduces noise from those in application.
PE2 (RJ45 shielded layer): connects to RJ45 shielded layer internally. Connecting
PE2 to the ground reduces noise from periphery.
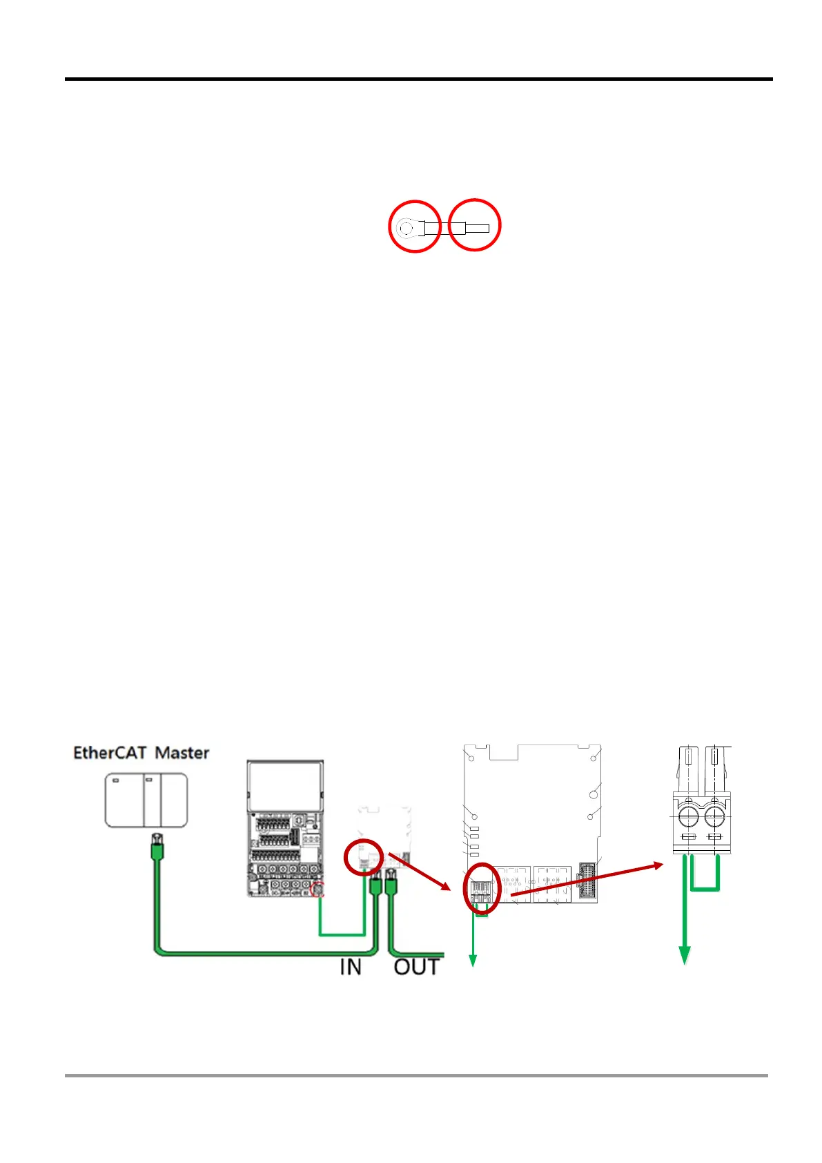
Grounding example: If you cannot use grounding specifically for communication, you
can ground the drives PE to the equipment. The B end of the grounding wire
connects to the ground terminal block of the communication card, as the circle shows
in Fig.2-8. The A end of the grounding wire connects to the drives PE, as the circles
show in Fig.2-9, Fig.2-10, Fig.2-11 and Fig.2-12 by different frames for
MS300/MH300.
A
B
Fig 2-7
PE
PE1
PE2
PE
Fig 2-8

Table of Contents