EasyManua.ls Logo

Delta SI 5000 - Page 14

Delta SI 5000
68 pages
Print Icon
To Next Page IconTo Next Page
To Next Page IconTo Next Page
To Previous Page IconTo Previous Page
To Previous Page IconTo Previous Page
Loading...
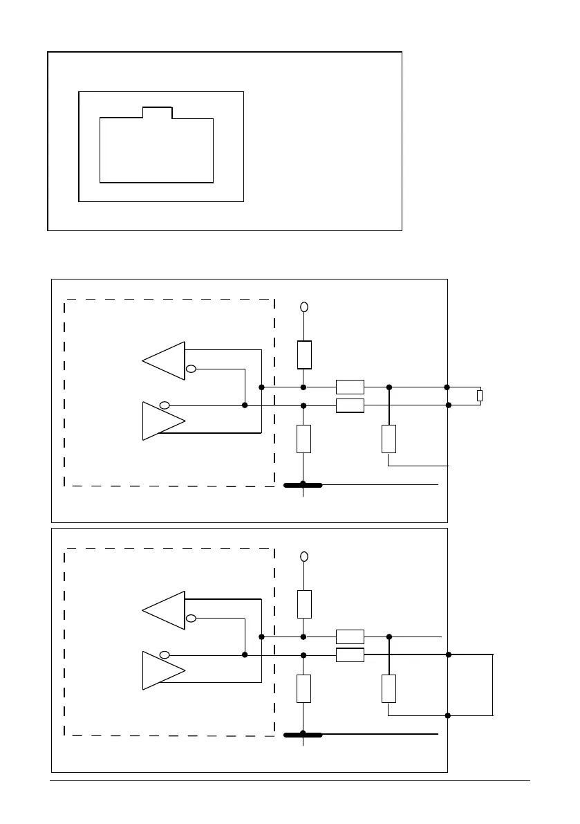
12
8
1
Pin
1 Not used
2 Not used
3 Not used
4 GND (RS485)
5 TERM (RS485)
6 RX_B (RS485)
7 TX_A (RS485)
8 Not used
Top View
Connector pin assignment RS485 (EIA485)
+5V
Not used
Not used
0R
0R
121R
TX_A
RX_B
TERM
GND
Pin 7
Pin 6
+5V
Not used
Not used
0R
0R
121R
TX_A
RX_B
TERM
GND
Pin 6
Pin 5
100 ... 150
Ohm, 0,25W
When several devices are connected in series and the total length of the data line measures 2 m or
more, the following options are available for terminating the RS485 (EIA485) interface:

Table of Contents

Other manuals for Delta SI 5000

Related product manuals