EasyManua.ls Logo

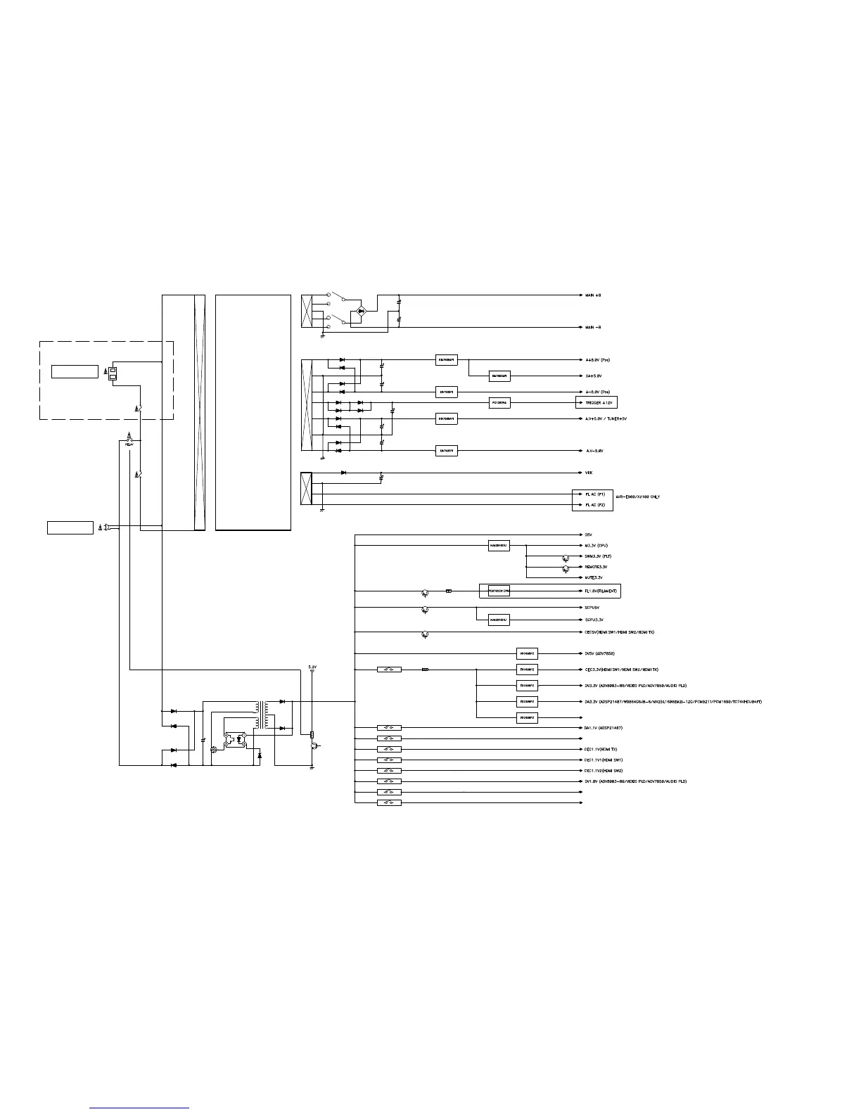
Denon AVR-S900W - Power Diagram

Denon AVR-S900W
194 pages
Print Icon
To Next Page IconTo Next Page
To Next Page IconTo Next Page
To Previous Page IconTo Previous Page
To Previous Page IconTo Previous Page
Loading...
POWER DIAGRAM
MAIN TRANS
S2(+8V,-8V)
S1(AMP +B)
MAIN PWR ON
AC OUTLET
AVR_S900 / X2100 / OTHER AVR1 VCC DIAGRAM
AC CORD
OTHER AVR1 ONLY
OTHER AVR1 ONLY
NET3.3V(CX870/MFI341S2164)
NET1.2V(CX870)
NET1.8V(CX870:OPEN)
NET1.9V(CX870)
105

Table of Contents

Other manuals for Denon AVR-S900W

Related product manuals