EasyManua.ls Logo

Denon AVR-X4100W

Denon AVR-X4100W
236 pages
To Next Page IconTo Next Page
To Next Page IconTo Next Page
To Previous Page IconTo Previous Page
To Previous Page IconTo Previous Page
Loading...
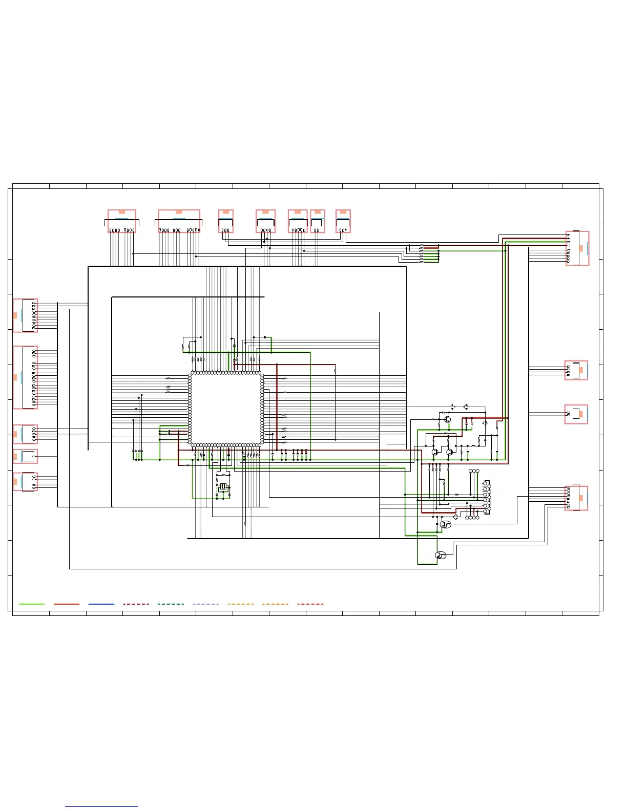
SCHEMATIC DIAGRAMS (4/38)
SCH04_SUB CPU
GND LINE
POWER- LINE
POWER+ LINE
ANALOG AUDIO
DIGITAL AUDIO
TMDS SIGNAL
ANALOG VIDEO
DIGITAL VIDEO
STBY POWER
HDMI CEC_PART
CEC_O UT
CEC_IN
PE1
PE0
PD7
PD6
PD5
PD4
PD3
PD2
PD1
PD0
P47
VREFL0
P40
VREFH0
AVCC0
P07
VREFH
P03
VREFL
PJ3
VCL
PJ1
MD
XCIN
XCOUT
RES#
P37/XTAL
VSS
P36/EXTAL
VCC
P35
P34
P33
P32
P31
P30
P27
P26
P25
P24
P14
P17
P21
P20
P22
PH1
PH2
PH3
P12
P13
P52
P53
P54
P55
PH0
PC5
PC6
PC7
P50
P51
PC4
PC3
PB7
PB6
PB5
PB4
PB3
PB2
PB1
VCC
PB0
VSS
PA7
PA6
PA5
PA4
PA3
PA2
PA1
PA0
PE7
PE6
P23
P16
P15
PC2
PC1
PC0
PE5
PE4
PE3
PE2
P46
P45
P44
P43
P42
P41
AVSS0
P05
RST
SCPU3.3 V
SCPUT XD
SCPURXD
DGND
UB
MD
NC
NC
EMULATOR
NC
NC
MP:
open
1 2 3 4 5 6 7 8 9 10 11 1 2 13 1 4 15 1 6 17 1 8 19 2 0 21 2 2 23 2 4 25
26
27
28
29
30
31
32
33
34
35
36
37
38
39
40
41
42
43
44
45
46
47
48
49
50
5152535455565 758596 061626 364656 6676869707172737475
76
77
78
79
80
81
82
83
84
85
86
87
88
89
90
91
92
93
94
95
96
97
98
99
100
IC171
R5F5210ABDFP
R1759
10K
R1760
100K
C1724
OPEN
R1751
4.7K
R1752
47K
R1753
2.2M
R1754
100K
C1722
220P
R1755
220K
R1756
27K
D1701
KDS160
R1757
3.3K
C1723
0.1
R1758
1.2K
R1712
33
R1711
33
R1710
33
R1731
33
R1730
33
R1732
33
R1729
33 R1718
33
R1720
33
R1727
33
R1726
33
C1702
0.1
C1717
0.1
C1716
0.1
C1709
OPEN
C1710
OPEN
C1711
OPEN
C1712
OPEN
C1707
0.47
C1708
OPEN
R1701
4.7K
C1714
0.1
R1761 OPEN
R1762 OPEN
R1702
33
C1718
OPEN
C1705
OPEN
R1719
10K
R1714
0
R1713
33
R1721
33
R1722
33
C1725
1000p
C1726
1000p
Q1701
2SC3052
Q1702
2SC3052
Q1703
INC2001AC1
R1728
4.7K
R1763 4 .7K
R1764 4 .7K
C1719
OPEN
R1705
0
R1704
OPEN
C1701
0.1
X1701
12MHz
R1703
33
R1716
33
R1715
33
R1765 4 .7K
R1766 4 .7K
R1767 4 .7K
C1713
OPEN
R1723
33
R1724
33
R1725
33
C1720
OPEN
R1706
33
R1707
33
R1708
33
R1709
33
C1706
OPEN
C1715
OPEN
R1743
33
C1721
0.1
R1749
4.7K
R1748
4.7K
R1747
OPEN
11
10
9
8
7
6
5
4
3
2
1
CN171
10022H-11C
CJP11GA 193ZY
T174
T175
T176T177
T178
T179
T180
Q1706
RT1N141C
Q1704
RT1N141C
R1745
470K
R1734
4.7K
R1746
10K
R1735
10K
R1736
33
R1717
33
R1737
33
C1703
7P
C1704
8P
C1727
OPEN
R1769
4.7K
SCPU
SCPU
SCPU
SCPU
SCPU3.3V
DGND
SUB_UPDA TE
SUBBDOWN
CLK_MO
ACK_SIM O
REQ_SOMI
SOMI
SUBTCK
SUBTMS
SUBTDI
SUBTDO
DIRDOUT
IP_RST
SCPURXD
SCPUTXD
CEC_POWER
DV_POWER2
DV_POWER1
DA_POWER
CLK_MO
SIMO
ACK_SIM O
SUB_RST
REQ_SOMI
SOMI
APLD_CK
APLD_DI
APLD_CS
SUBTCK
SUBTMS
SUBTDI
SUBTDO
DSP_ICS
DSP_FLAG0
DSP_RST
DSPI_CLK
DSP_MISO
DSP_MOSI
DIRDOUT
DIRDIN
DIRCE
DIRCLK
ADCRST
DACRST1
DACMS1
PLDAERR
CEC_POWER
DV_POWER2
DV_POWER1
DA_POWER
SCPUTXD
S
CPURXD
TXEN
SCPU5V
SUBBDOWN
CEC_COM
DIRCE
ADCRST
DACMC
DACMC
DACMDI
DACMDI
DSP2_RST
DSP2_RST
DSP2_FLAG0
DSP2_FLAG0
DSP2_ICS
Z2PLDAERR
Z3PLDAERR
DV_POWER1
ADCRST
REQ_SOMI
CLK_MO
SIMO
SIMO
SOMI
Z2PLDAERR
Z3PLDAERR
777_RST
HSDA
HSCL
777_HINT
777_1_RST
777_2_RST
777_1_HINT
777_2_HINT
IP_RST
DE_RST
SD/HD
HINSELA
HINSELB
HINSELC
DSP_MOSI
DSP_MISO
DSPI_CLK
DA_POWER
AVSDA
AVSCL
AVSCL
AVSDA
CEC_POWER
DV_POWER1
DV_POWER2
H5VDET
SUBTCK
SUBTDI
SUBTDO
SUBTMS
DACRST1
DSP2_FLAG3
DACMC
DACMDI
DACMS1
DSP4_RST
D
SP_ICS
DSP_FLAG3
DSP_RST
DSP3_FLAG0
DSP_FLAG0
DSP2_ICS
DSP4_FLAG0
DSP3_RST
DSP3_ICS
DSP3_FLAG0
TXEN
DSP4_ICS
APLD_CK
APLD_DI
APLD_CS
APLD_CK
APLD_CS
APLD_DI
SUBBDOWN
ACK_SIM O
HPD1
HPD2
HPD3
HPD4
HPD5
HPD6
HPD7
HPD8
HSDA
HPD4
HPD3
HPD2
HPD1
777_1_HINT
HSCL
777_1_RST
777_2_RST
HSDA
HSCL
777_2_HINT
HINSELC
HINSELB
HINSELA
HPD7
H5VDET
DIRCLK
DIRDOUT
DIRCE
DIRRST
DIRRST
DIRRST
DIRCLK
DSP_ROMRST
DSP_ROMRST
NET/HDMI
RGB/YC
NET/HDMI
RGB/YC
RGB/YC
NET/HDMI
SCPURXD
SCPUTXD
PLDAERR
THR/UPSCL
RXINT0
Z3PLDAER
R
Z2PLDAERR
HPD6
HPD5
AVSCL
AVSDA
HSDA
HSCL
777_HINT
RXINT0
777_RST
HPD8
CEC_COM
HPD4
HPD3
HPD2
HPD1
777_1_HINT
HSCL
HSDA
777_1_RST
H5VDET
HINSELC
HINSELB
HINSELA
HPD7
HPD6
HPD5
777_2_HINT
HSCL
HSDA
777_2_RST
CEC_COM
DE_RST
IP_RST
777_RST
HPD8
TXEN
RXINT0
777_HINT
HSCL
HSDA
DSP_FLAG3
DSP3_RST
DSP2_FLAG3
DV3.3V
DV3.3V
AVSCL
AVSDA
AVSCL
AVSDA
THR/UPSCL
SD/HD
SD/HD
THR/UPSCL
SCPURXD
SCPUTXD
DIRDIN
DIRDIN
DACMS1
DACRST1
DSP_ROMRST
DSP_MOSI
DSP_MISO
DSPI_CLK
DSP_RST
DSP_FLAG0
DSP_ICS
DSP_FLAG3
DSP2_RST
DSP2_FL
AG0
DSP2_ICS
DSP2_FLAG3
DSP3_RST
DSP3_FLAG0
DSP3_ICS
DSP4_RST
DSP4_FLAG0
DSP3_ICS
DSP4_ICS
DSP4_RST
DSP4_FLAG0
DSP4_ICS
2A
TO A2
9A
TO A9
0C
TO C0
3C
TO C3
C7
TO 7C
C8
TO 8C
C9
TO 9C
D0
TO 0D
D1
TO 1D
D2
TO 2D
D3
TO 3D
D4
TO 4D
D5
TO 5D
D6
TO 6D
D7
TO 7D
D8
TO 8D
138
1 2 3 4 5 6 7 8 9 10 11 12 13 14 15 16
A
B
C
D
E
F
G
H
J
K
L
M
A
B
C
D
E
F
G
H
J
K
L
M
1
2 3 4 5 6 7 8 9 10 11 12 13 14 15 16

Table of Contents

Other manuals for Denon AVR-X4100W

Related product manuals