EasyManua.ls Logo

Denon AVR-X4100W

Denon AVR-X4100W
236 pages
To Next Page IconTo Next Page
To Next Page IconTo Next Page
To Previous Page IconTo Previous Page
To Previous Page IconTo Previous Page
Loading...
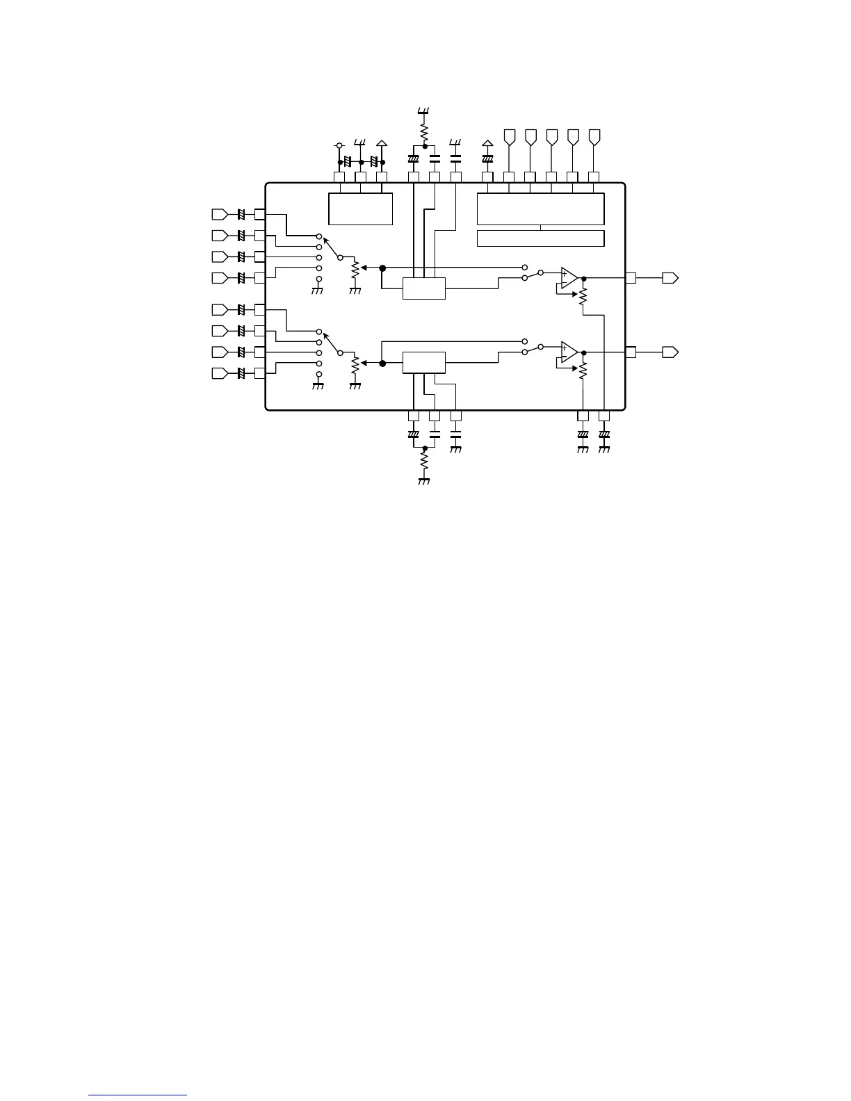
NJW1194A (INPUT : IC484)
NJW1194
 
2-CHANNEL ELECTRONIC VOLUME
WITH INPUT SELECTOR AND TONE CONTROL
GENERAL DESCRIPTION
PACKAGE OUTLINE
       
      
       

      
        

      

FEATURES

      
   

 
   

 
 

  
BLOCK DIAGRAM
NJW1194V

 


 
 
 
 




 







 
  
 

199

Table of Contents

Other manuals for Denon AVR-X4100W

Related product manuals