EasyManua.ls Logo

Devatec ELMC 5 - Page 27

Devatec ELMC 5
50 pages
Print Icon
To Next Page IconTo Next Page
To Next Page IconTo Next Page
To Previous Page IconTo Previous Page
To Previous Page IconTo Previous Page
Loading...
24
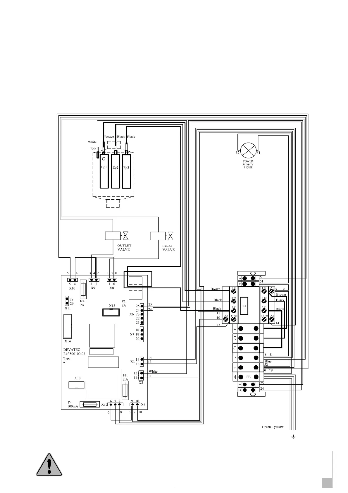
ElectroVap MC
ELMC 5-3 wiring diagram
Electrical Installation
All works concerned with electrical installation must be carried
out by a skilled and qualified personnel.
26

Related product manuals