EasyManua.ls Logo

DeWalt DW168F - Dimensional Drawings

DeWalt DW168F
56 pages
Print Icon
To Next Page IconTo Next Page
To Next Page IconTo Next Page
To Previous Page IconTo Previous Page
To Previous Page IconTo Previous Page
Loading...
10



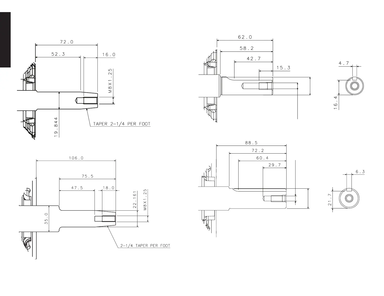
NOTE: All dimensions in mm unless noted otherwise
6.5 HP
9-13 HP

6.5 HP
.313-24
19.02
9-13 HP
25.4
.313-24

Other manuals for DeWalt DW168F