EasyManua.ls Logo

Dexter Laundry T650 - Page 156

Dexter Laundry T650
168 pages
Print Icon
To Next Page IconTo Next Page
To Next Page IconTo Next Page
To Previous Page IconTo Previous Page
To Previous Page IconTo Previous Page
Loading...
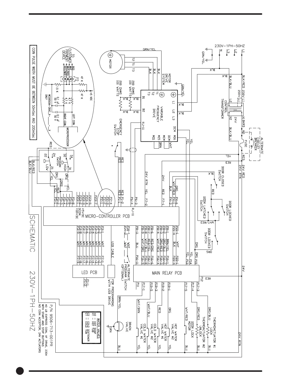
T650 230/50/1 Voltage Schematic
156
Part # 8533-093-001 1/18

Table of Contents

Related product manuals