EasyManua.ls Logo

Dexter Laundry T650 - Page 18

Dexter Laundry T650
168 pages
Print Icon
To Next Page IconTo Next Page
To Next Page IconTo Next Page
To Previous Page IconTo Previous Page
To Previous Page IconTo Previous Page
Loading...
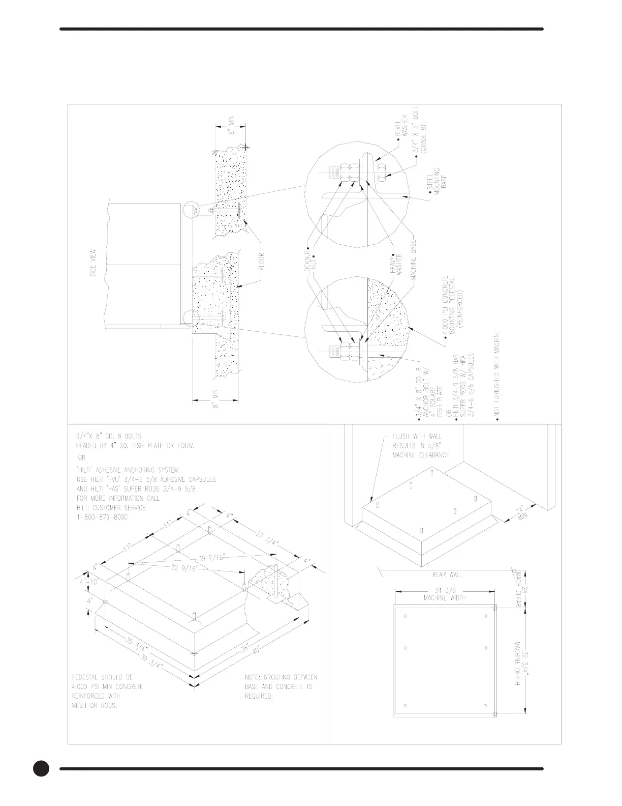
CONCRETE PEDESTAL MOUNTING
Figure 1-1
Figure 1-2
FLOOR OUTLINE
Figure 1-3
MACHINE MOUNTING DETAIL
T-750 Mounting Dimensions
18
Part # 8533-093-001 1/18

Table of Contents

Related product manuals