EasyManua.ls Logo

Diamond DA 42 - 7.10 Electrical System

Diamond DA 42
400 pages
Print Icon
To Next Page IconTo Next Page
To Next Page IconTo Next Page
To Previous Page IconTo Previous Page
To Previous Page IconTo Previous Page
Loading...
DA 42 AFM Airplane Description
Doc. No. 7.01.05-E Rev. 8 15-Dec-2017 Page 7 - 53
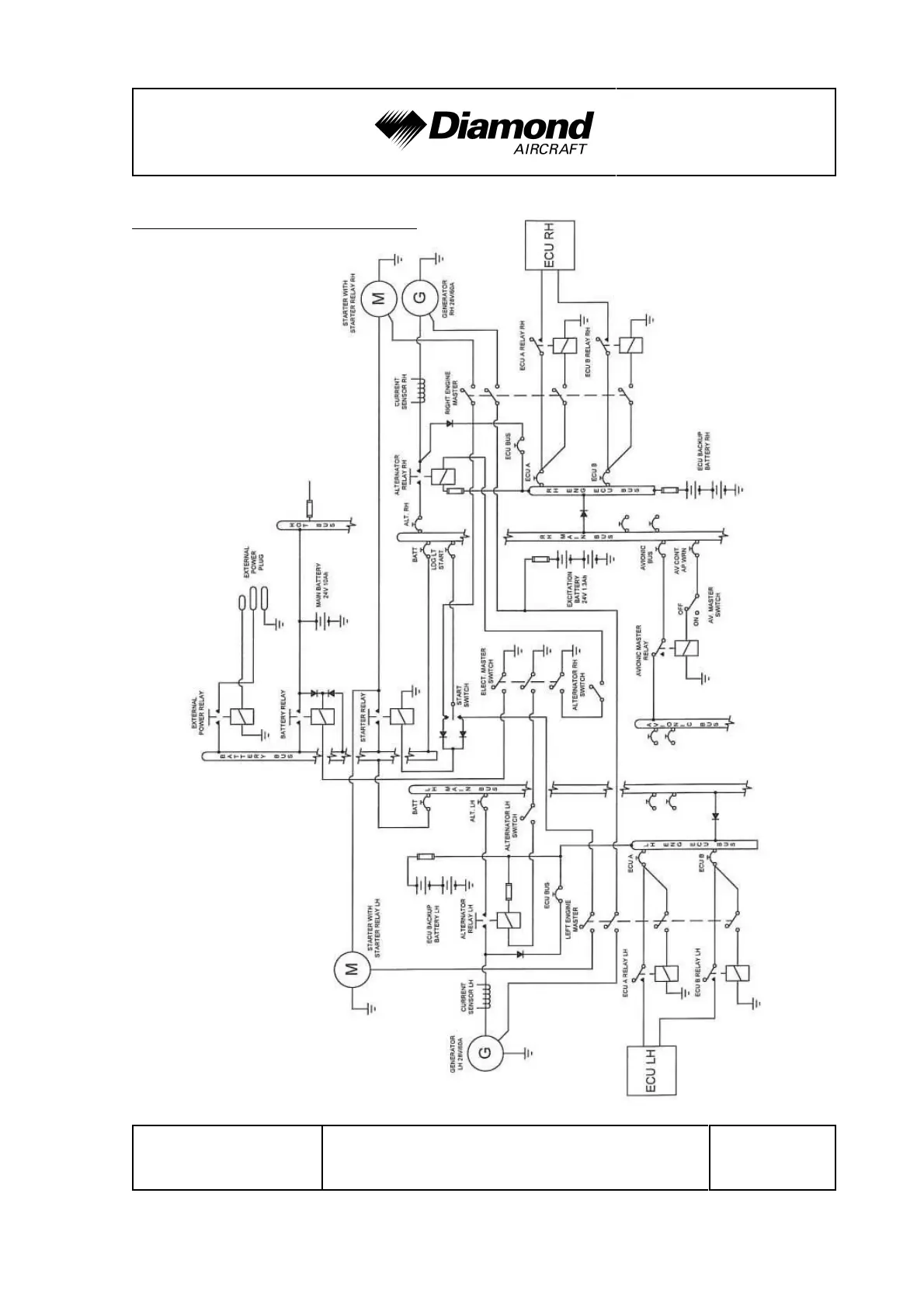
7.10 ELECTRICAL SYSTEM

Table of Contents

Related product manuals