EasyManua.ls Logo

Digilent Basys MX3 - Page 21

Digilent Basys MX3
56 pages
Print Icon
To Next Page IconTo Next Page
To Next Page IconTo Next Page
To Previous Page IconTo Previous Page
To Previous Page IconTo Previous Page
Loading...
Basys MX3™ Board Reference Manual
Page 21 of 56
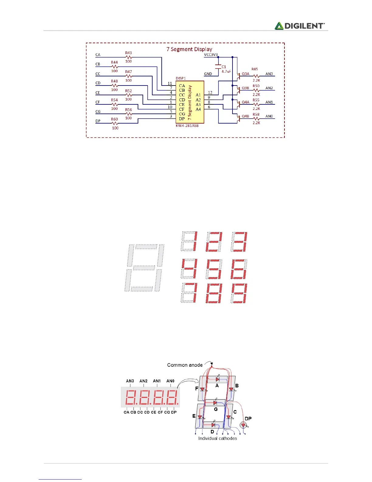
Figure 7.1. Seven-segment schematic diagram.
The anodes of the seven LEDs forming each digit are tied together into one “common anode” circuit node, but the
LED cathodes remain separate, as shown in Fig. 7.2. The common anode signals are available as four “digit enable”
input signals to the 4-digit display. The cathodes of similar segments on all four displays are connected into seven
circuit nodes labeled CA through CG (so, for example, the four “D” cathodes from the four digits are grouped
together into a single circuit node called “CD”). These seven cathode signals are available as inputs to the 4-digit
display. This signal connection scheme creates a multiplexed display, where the cathode signals are common to all
digits but they can only illuminate the segments of the digit whose corresponding anode signal is asserted.
Figure 7.2. Seven-segment digits.
To illuminate a segment, the anode should be driven high while the cathode is driven low; however, since the
Basys MX3 uses transistors to drive enough current into the common anode point, the anode enables are inverted.
Therefore, both the AN0 … AN3 and the CA … G/DP signals are driven low when active.
Figure 7.3. Common anode circuit node.