EasyManua.ls Logo

Digilent Basys MX3 - Functionality; Uart

Digilent Basys MX3
56 pages
Print Icon
To Next Page IconTo Next Page
To Next Page IconTo Next Page
To Previous Page IconTo Previous Page
To Previous Page IconTo Previous Page
Loading...
Basys MX3™ Board Reference Manual
Page 31 of 56
The SPI_CE, SPI_SCK, and SPI_SI pins should be configured as digital output, while the SPI_SO pin must be
configured as digital input.
Name
Label on J6
PIC32 pin
Needed mapping for SPI1
SPI_CE
CE
RPF8/RF8
SPI_SI
SI
RPF2/RF2
RPF2R = 0x08; // SDO1 RF2
SPI_SO
SO
RPF7/RF7
SDI1R = 0x0F; // SDI1 RF7
SPI_SCK
SCK
RPF6/SCK1/INT0/RF6
Table 12.2. Flash connectivity.
12.2 Functionality
To use the flash memory, the SPI pins must be properly configured to implement SPI1 functions (see Section 12.1
above). Then, proper SPI communication (read, write) must be implemented over SPI1. The SPI1 interface must be
initialized and then accessed through read and write functions.
Flash communication is implemented in the SPIFLASH library of the Basys MX3 library pack. If a user wants to use
the SPI flash without the SPIFLASH library, they must implement their own SPI functions.
Note that users can visualize the communication with the SPI flash using a connector labeled SPI (J6), located on
the back of the board under PMOD A connector.
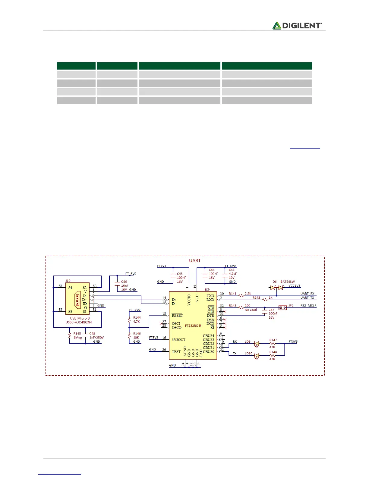
13 UART
Figure 13.1. UART schematic diagram.
The PIC32MX370F512L microcontroller provides five UART interfaces: UART1, UART2, …, UART5. Each UART can
provide either a 2-wire or a 4-wire asynchronous serial interface. The 2-wire interface uses only receive (RX) and
transmit (TX) signals. The 4-wire interface includes request-to-send (RTS) and clear-to-send (CTS) in addition to
receive and transmit signals.