EasyManua.ls Logo

Digilent Basys MX3 - Functionality; Microphone

Digilent Basys MX3
56 pages
Print Icon
To Next Page IconTo Next Page
To Next Page IconTo Next Page
To Previous Page IconTo Previous Page
To Previous Page IconTo Previous Page
Loading...
Basys MX3™ Board Reference Manual
Page 40 of 56
Name
PIC32 pin
A_OUT
AN14/RPB14/CTED5/PMA1/RB14
Table 17.1. Audio out connectivity.
The A_ OUT pin will be used as a digital output pin:
The corresponding TRIS bit must be set to 0:
TRISBbits.TRISB14 = 0;
The corresponding ANSEL bit should be set to 0:
ANSELBbits.ANSB14 = 0;
17.2 Functionality
Functionality for access to the audio module is implemented in the AUDIO library of the Basys MX3 library pack.
These are the features of the implementation:
The RB14 is mapped to OC1
RPB14R = 0x0C; // OC1
OC1 is properly configured, together with associated Timer 3
Every time the timer 3 interrupt handler routine is called, the OC1RS register gets the value of the audio
sample that needs to be represented using PWM.
If the user wants to use the audio out module without the AUDIO library, they must implement their own audio
functionality.
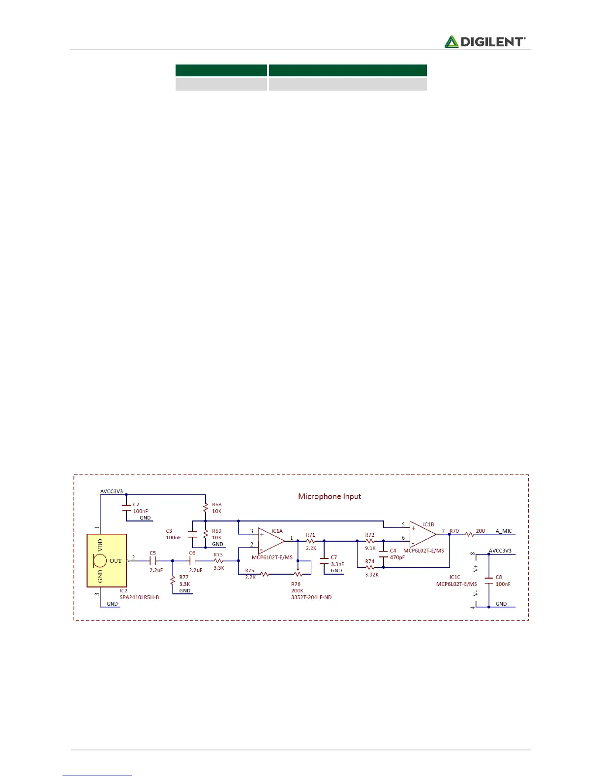
18 Microphone
Figure 18.1. Microphone schematic diagram.
The Basys MX3 provides a basic microphone module. It is based on the Knowles Acoustics SPA2410LR5H-B MEMs
microphone that has a high signal-to-noise ratio (SNR) of 94 dB SPL at 1 kHz.