EasyManua.ls Logo

Dilo SF6 - Page 69

Dilo SF6
135 pages
Print Icon
To Next Page IconTo Next Page
To Next Page IconTo Next Page
To Previous Page IconTo Previous Page
To Previous Page IconTo Previous Page
Loading...
Page
service cart
4
Z863R01-01S
+
Date
Anlage
Ort
1
Modification
0 76 8 93
9
6
4
5
2
=
Name
5
Abt.
TB
AV
Betr
Betr
Betr
Betr
Betr
AB
VM
MG
GL
TL
VK
EK
EL
dxf
KE
MT
Das Urheberrecht an dieser Zeichnung verbleibt
der DILO-Gesellschaft, D-87727 Babenhausen.
Jede nicht vom Urheber genehmigte Benützung (Vervielfältigung,
Überlassung an Dritte usw.) ist strafbar und macht schadenersatzpflichtig.
Nr.
1
2
3
4
5
6
7
8
9
10
11
12
13
14
15
16
17
18
19
20
Anz.
gez
D-87727 Babenhausen
1
1
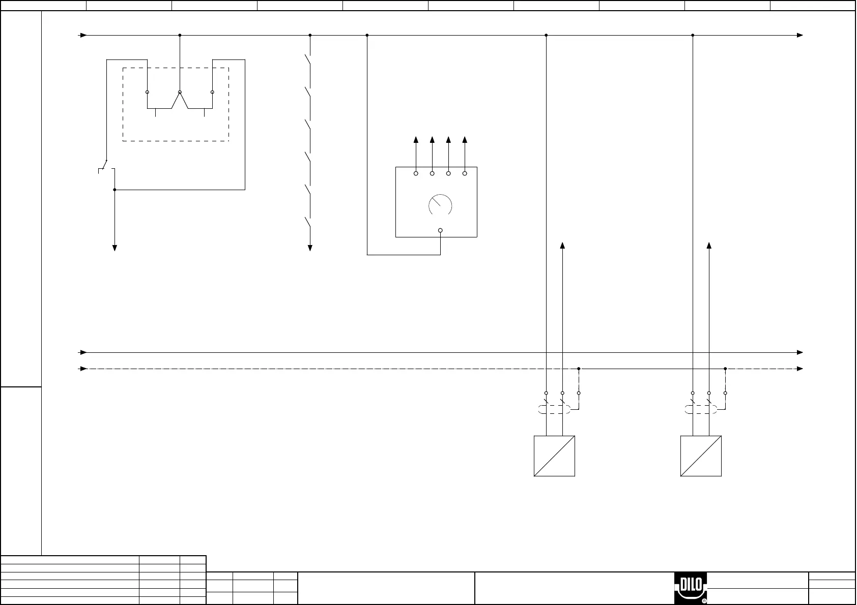
control circuit diagram
Date Name
gepr./frei
GF
DX
/
deilt28.07.2014
2
pressure sensor
(evaporator)
3~ 1~
pressure sensor
(compressor)
0
BCD-Code
9
-S04
2 6
1
10 14
selection of
function
17
18
-Q31
/1.6
13
14
-F11
/4.5
13
14
-B11
/2.6
17
18
-Q21
/1.4
17
18
-Q51
/1.7
12
11
14
-B01
/2.5
17
18
-Q11
/1.2
23 24
wsbn
+ -
Pos.305
I
P
-X10
21 22 PE PE
Only at option:
Phasemaster
-X10
71 72 73
blbn
+ -
Pos.303
I
P
24V
/4.9
I0.1
/9.3
AI8
/ 9.7
24V
/ 6.1
I0.0
/9.3
0V
/4.9
0V
/ 6.1
AI10
/ 9.7
PE
/4.9
PE
/ 6.1
I1.0
/ 9.4
I1.1
/ 9.4
I1.2
/ 9.4
I1.3
/ 9.4

Table of Contents

Related product manuals