EasyManua.ls Logo

Donaldson Torit DFT 2-8 - Page 19

Donaldson Torit DFT 2-8
48 pages
Print Icon
To Next Page IconTo Next Page
To Next Page IconTo Next Page
To Previous Page IconTo Previous Page
To Previous Page IconTo Previous Page
Loading...
Downflo II, Model DFT 2-8 through 4-128
19
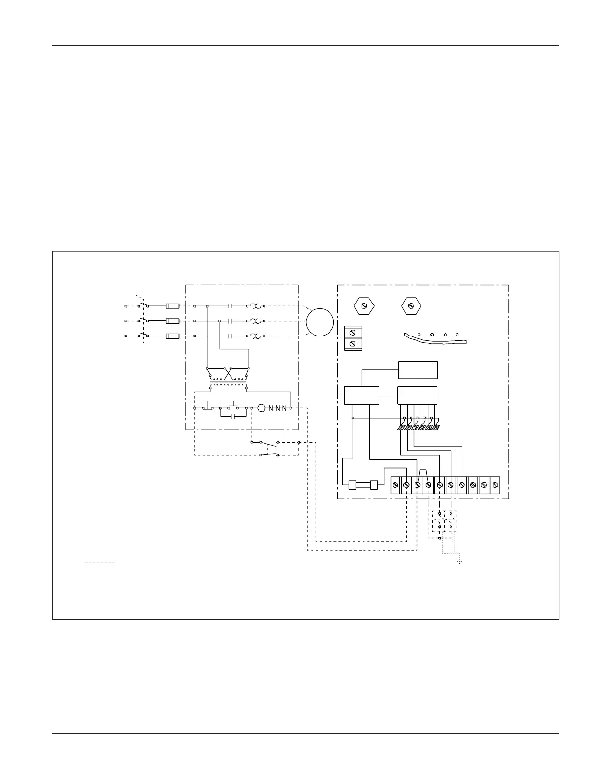
Solid-State Timer Wiring Diagram
*ER7XEVXIV
'SRXVSP&S\(MWGSRRIGX
*9
*9
*9
:
,^4L
-0
-0
-0
1
30 8
8
8
:
:
,
,
,
,
< <
WXST
WXEV
1
1
8+7
JER
QSXSV
3**XMQI
32XMQI
TVSKVEQ
TMRW
TVSKVEQPYK
TVIWWYVI
W[MXGL
XMQMRK
PSKMG
TS[IV
WYTTP]
GSRXVSP
PSKMG
*9%
XS:
,^
WSPIRSMH
ZEPZIW
0
0
'31

0
0
0
(MWGSRRIGXJYWIWPS[ZSPXEKIFPS[IVWXEVXIVERH8+7W[MXGLEVIGYWXSQIVWYTTPMIH
;MVMRKF]SXLIVW
;MVMRKF]JEGXSV]
Pulse OFF Time
Factory set at 10-seconds, adjustable from 1.5-sec
minimum to maximum 30-seconds.
Operating Temperature Range
-20° F to 130° F
Transient Voltage Protection
50 kW transient volts for 20-millisecond duration
once every 20 seconds, 1% duty cycle.
Solenoid Valves
115-Volt at 19.7 watts each
Compressed-Air
Set compressed-air supply at 90-psig. The timer is
factory set to clean one filter or set of filters every
10-seconds.
Note: Do not set compressed-air pressure above 100-
psig. Component damage will occur.