EasyManua.ls Logo

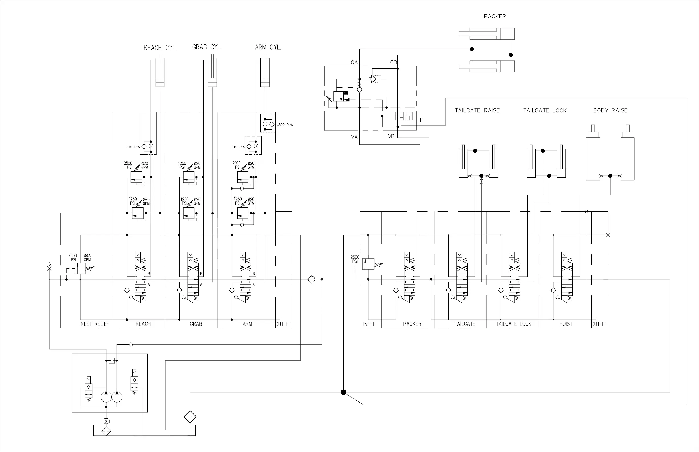
Dover HEIL DuraPack Python - Durapack Python Dump Non-HOC Lift Valve Hydraulic Schematic - 701-8776

Dover HEIL DuraPack Python
190 pages
Print Icon
To Next Page IconTo Next Page
To Next Page IconTo Next Page
To Previous Page IconTo Previous Page
To Previous Page IconTo Previous Page
Loading...
DP PYTHON DUMP
NON HOC LIFT VALVE
HYDRAULIC SCHEMATIC
701-8776
10/09

Table of Contents