EasyManua.ls Logo

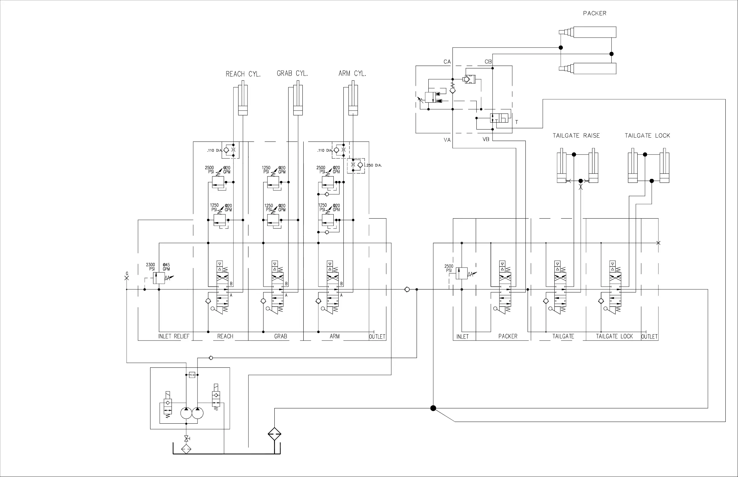
Dover HEIL DuraPack Python - Durapack Python Eject Non-HOC Lift Valve Hydraulic Schematic - 701-8777

Dover HEIL DuraPack Python
190 pages
Print Icon
To Next Page IconTo Next Page
To Next Page IconTo Next Page
To Previous Page IconTo Previous Page
To Previous Page IconTo Previous Page
Loading...
DP PYTHON EJECT
NON HOC LIFT VALVE
HYDRAULIC SCHEMATIC
701-8777
10/09

Table of Contents