EasyManua.ls Logo

Dover HEIL DuraPack Python - Regenerative Valve

Dover HEIL DuraPack Python
190 pages
Print Icon
To Next Page IconTo Next Page
To Next Page IconTo Next Page
To Previous Page IconTo Previous Page
To Previous Page IconTo Previous Page
Loading...
Issued July 2024
Body and Tailgate
Copyright 2024, The Heil Co.
Printed in the U.S.A.
BODY AND TAILGATE
77
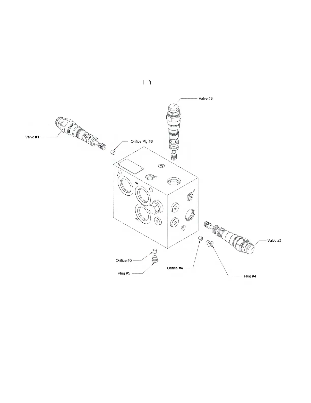
REGENERATIVE VALVE (031-6227)
Part time regenerative valve during packer extend.
Full time dump valve during packer retract.
Also see Regenerative Valve Troubleshooting Guide .
Figure 34. Regenerative Valve
92

Table of Contents