EasyManua.ls Logo

Dover HEIL DuraPack Python - Lift Arm Hydraulic Schematic

Dover HEIL DuraPack Python
190 pages
Print Icon
To Next Page IconTo Next Page
To Next Page IconTo Next Page
To Previous Page IconTo Previous Page
To Previous Page IconTo Previous Page
Loading...
Issued July 2024
Schematics
Copyright 2024, The Heil Co.
Printed in the U.S.A.
Schematics
166
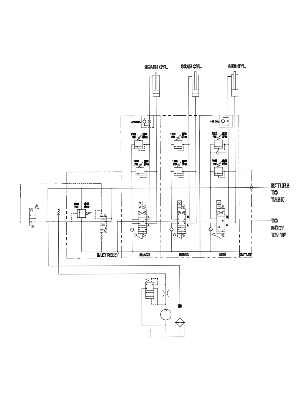
LIFT ARM HYDRAULIC SCHEMATIC
NOTE: Solenoid A is energized when pump is tuned on.

Table of Contents