EasyManua.ls Logo

DyneSystems DS820F - CONFIGURATION; Inter-Loc V Controller Configuration

DyneSystems DS820F
41 pages
Print Icon
To Next Page IconTo Next Page
To Next Page IconTo Next Page
To Previous Page IconTo Previous Page
To Previous Page IconTo Previous Page
Loading...
Conguration
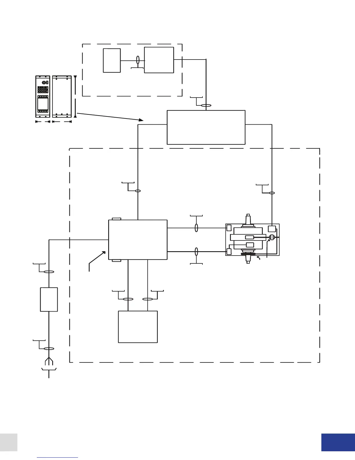
Figure 2.1 - Inter-Loc V Controller Configuration with Wall Mount ECPAU (Optional Rack Mount)
SECTION 2: CONFIGURATION
--" x --" x --"
TRANSFORMER
POWER
--- LBS
FIELD
T1
SINGLE PHASE
CUST xxxVAC
xxxVAC @ xxA
CONDUIT P2*
-- KVA
xxxVAC @ xxA
CONDUIT P3*
FACILITY VAC
xxxVDC @ xxA
EC DYNO FIELD
CONDUIT P5*
FLOW OR PRESSURE OR TEMP
H20 SAFETIES -
CONDUIT S3*
~40 LBS
xxA
ECPAU
20" x 16" x 8"
xxxVAC @ xxA
ISOLATED VAC
CONDUIT P4*
FACILITY VAC
+ GROUND
DISCONNECT
xxxVAC @ xxA
CONDUIT P1*
FACILITY VAC
__"x__"x__"
MIDWEST MW-xxxx
CONDUIT S1*
SPEED/TRQ FB
CONSOLE
ECPAU CONTROL
CONDUIT S2*
TEST CELL
MINIMUM SPACE OF 12"
ON EITHER SIDE OF ECPAU
LOAD CELL
115VAC @ 15A
FACILITY VAC
CONDUIT P6*
MAG PU
DISCONNECT
CNTRL XFMR
---/---
---KVA
---LBS
-"x-"x-"
FOR COOLING AIR FLOW
OPTIONAL(IF 115VAC
NOT AVAILABLE)
J BJ B
J B
EC DYNAMOMETER
HP xxxxHP ABSORB
RPM xxx/xxx
FIELD xxxV @ xxA
xxxVAC @ xxA
FACILITY VAC
CONDUIT P7*
INTER-LOC V OCS
INTER-LOC V CONTROL
CA4W COMPUTER
MONITOR
OCS POWER SUPPLY
INTER-LOC V XFMR
Inter-Loc V
W209 N17391 Industrial Dr.
Fax: 1-262-677-9308
Jackson, WI 53037
www.DyneSystems.com
Phone: 1-262-677-9300
Digital Multi-Loop Dynamometer and Engine Controller
INTER-LOC V OCS
INTER-LOC V CONTROL
5 1/4"
7"
19"
Dyne Systems • DS820F PAU
DPD-001-04B • © Copyright Dyne Systems, Inc.
5

Table of Contents