EasyManua.ls Logo

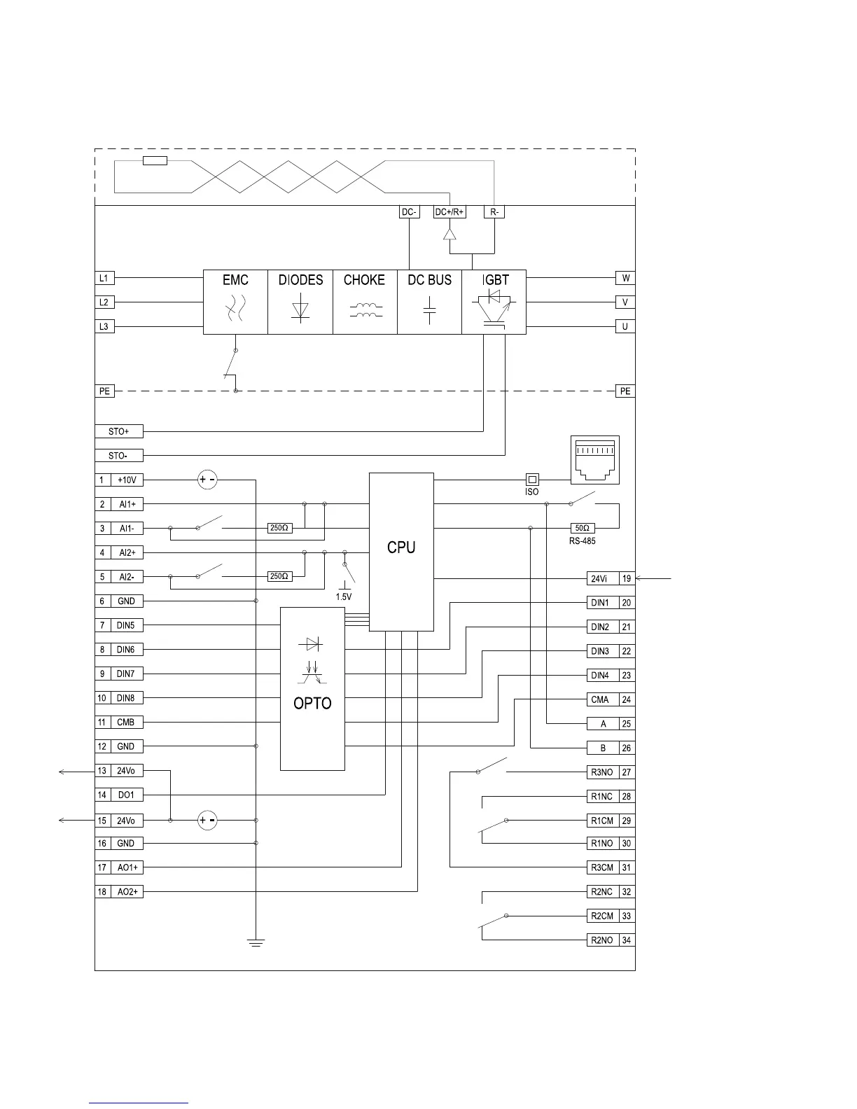
Eaton PowerXL DG1-323D7FB-C21C - Figure 21. Basic Internal Control Wiring Diagram

Eaton PowerXL DG1-323D7FB-C21C
84 pages
To Next Page IconTo Next Page
To Next Page IconTo Next Page
To Previous Page IconTo Previous Page
To Previous Page IconTo Previous Page
Loading...
Chapter 6—Installation Requirements
36 DG1 Series VFD MN040002EN—March 2014 www.eaton.com
Figure 21. Basic Internal Control Wiring Diagram

Table of Contents

Related product manuals