EasyManua.ls Logo

EBS LX20B - Assembly and Wiring

EBS LX20B
67 pages
Print Icon
To Next Page IconTo Next Page
To Next Page IconTo Next Page
To Previous Page IconTo Previous Page
To Previous Page IconTo Previous Page
Loading...
LX20B Manual Page 9 / 67
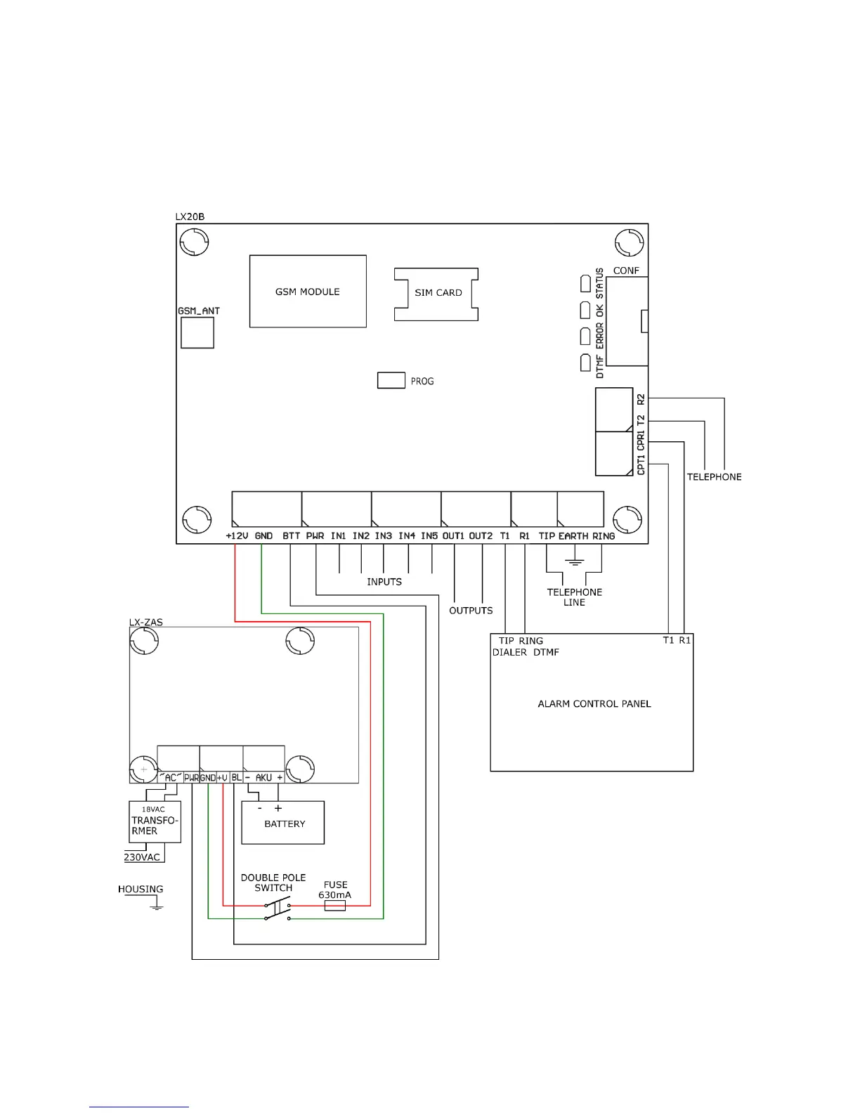
3. ASSEMBLY AND WIRING
Switch power off to perform any connection.
3.1. CONNECTING LX20B WITH SINGLE SIM CARD SLOT
Figure 1. LX20B Transmitter with LX-ZAS adapter

Table of Contents

Related product manuals