EasyManua.ls Logo

Echo EGi-3600LN - Wiring Diagram

Echo EGi-3600LN
46 pages
Print Icon
To Next Page IconTo Next Page
To Next Page IconTo Next Page
To Previous Page IconTo Previous Page
To Previous Page IconTo Previous Page
Loading...
38
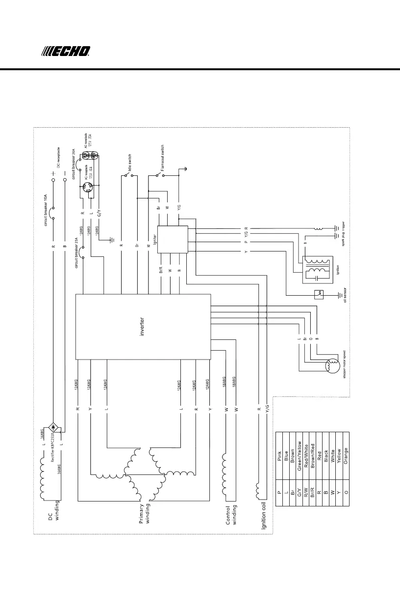
WIRING DIAGRAM
WIRING DIAGRAM

Related product manuals