EasyManua.ls Logo

Edwards Diffstak 63/150 - Part Sectional View of Valved Diffstak 250;2000 Pump

Edwards Diffstak 63/150
64 pages
Print Icon
To Next Page IconTo Next Page
To Next Page IconTo Next Page
To Previous Page IconTo Previous Page
To Previous Page IconTo Previous Page
Loading...
© Edwards Limited 2007. All rights reserved. Page 7
Edwards and the Edwards logo are trademarks of Edwards Limited.
Introduction
B344-21-880 Issue N
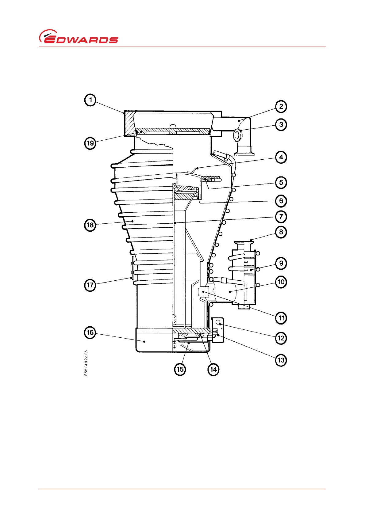
Figure 4 - Part sectional view of valved Diffstak 250/2000 pump
1. Inlet-flange
2. Roughing connection
3. Gauge connection
4. Cool-cap
5. Guard-ring assembly
6. Top-jet assembly
7. Tie-rod
8. Backing connection
9. Baffle condenser
10. Backing spout
11. Ejector jet
12. Terminal-box
13. Terminal-block
14. Heater
15. Clamp
16. Radiation shield
17. Cooling-fail thermal-switch
mounting plate
18. Pump-body
19. High-vacuum isolation-valve

Table of Contents

Related product manuals