EasyManua.ls Logo

Edwards Diffstak 63/150 - Typical Pumping System: Diffstak 250;2000 Pumps

Edwards Diffstak 63/150
64 pages
Print Icon
To Next Page IconTo Next Page
To Next Page IconTo Next Page
To Previous Page IconTo Previous Page
To Previous Page IconTo Previous Page
Loading...
© Edwards Limited 2007. All rights reserved. Page 33
Edwards and the Edwards logo are trademarks of Edwards Limited.
Operation
B344-21-880 Issue N
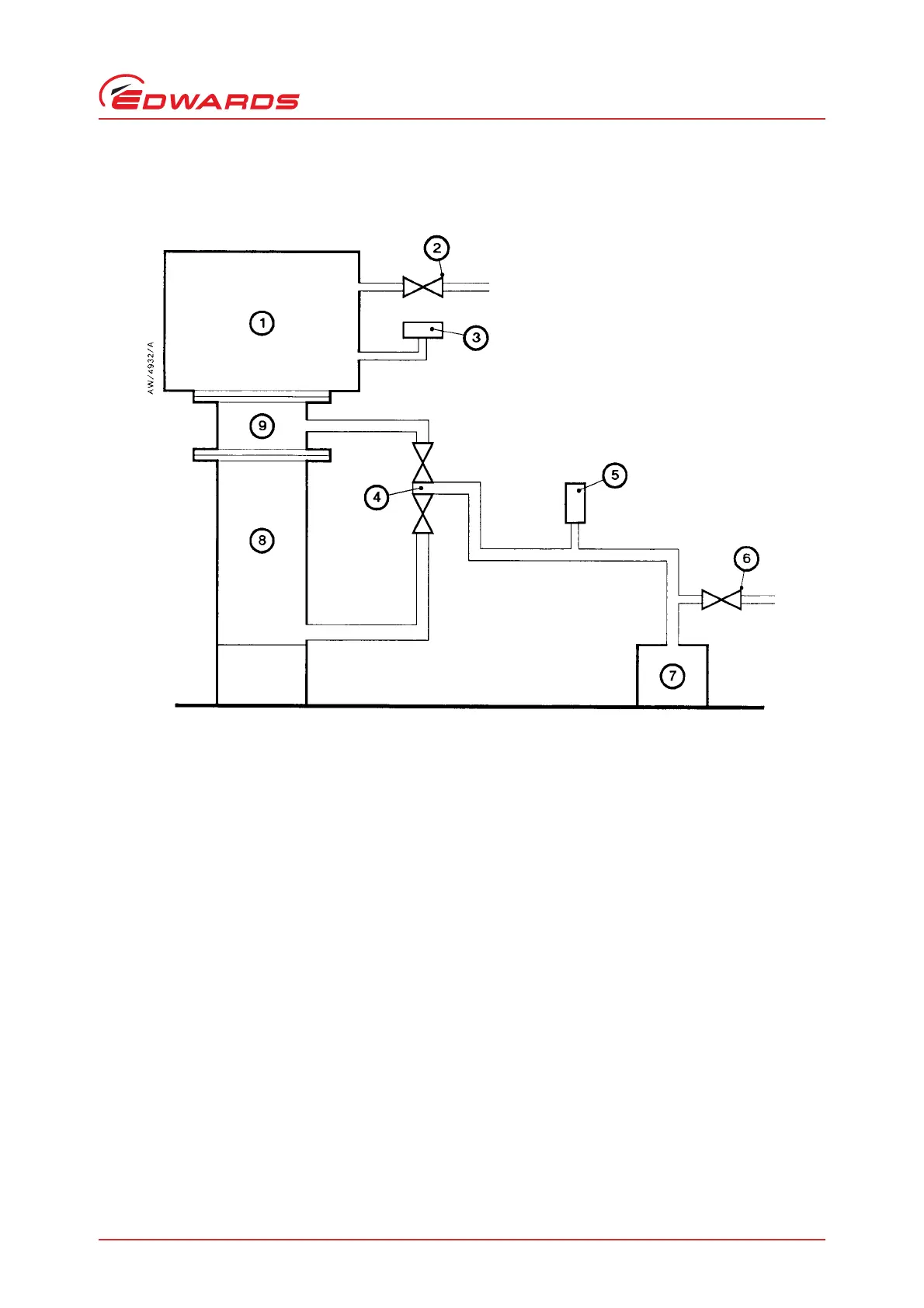
Figure 19 - Typical pumping system: Diffstak 250/2000 pumps
1. High vacuum system
2. Air-admittance valve
3. High vacuum gauge head
4. Roughing-valve
5. Backing gauge head
6. Air-admittance valve
7. Rotary backing pump
8. Backing-valve
9. Diffstak pump
10. High-vacuum isolation-valve

Table of Contents

Related product manuals