EasyManua.ls Logo

Edwards Diffstak 63/150 - Typical Pumping System: Diffstak 63;150, 100;300 and 160;700 Pumps

Edwards Diffstak 63/150
64 pages
Print Icon
To Next Page IconTo Next Page
To Next Page IconTo Next Page
To Previous Page IconTo Previous Page
To Previous Page IconTo Previous Page
Loading...
B344-21-880 Issue N
Page 32 © Edwards Limited 2007. All rights reserved.
Edwards and the Edwards logo are trademarks of Edwards Limited.
Operation
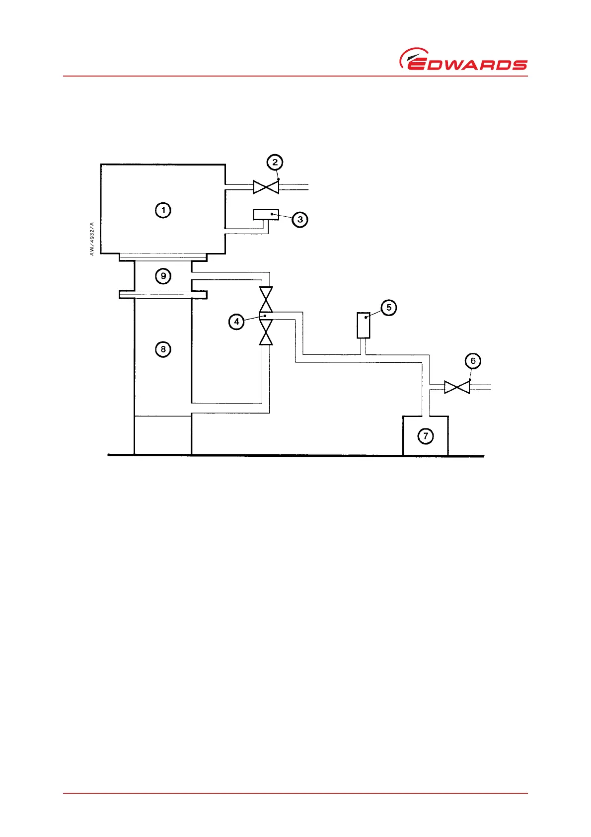
Figure 18 - Typical pumping system: Diffstak 63/150, 100/300 and 160/700 pumps
1. High vacuum system
2. Air-admittance valve
3. High vacuum gauge head
4. Combined roughing and backing-valve
5. Backing gauge head
6. Air-admittance valve
7. Rotary backing pump
8. Diffstak pump
9. High-vacuum isolation-valve

Table of Contents

Related product manuals