EasyManua.ls Logo

EKOM DK50 2V/50 - Page 39

EKOM DK50 2V/50
164 pages
Print Icon
To Next Page IconTo Next Page
To Next Page IconTo Next Page
To Previous Page IconTo Previous Page
To Previous Page IconTo Previous Page
Loading...
INSTALLATION
06/2020 39 NP-DK50 2V 50, 2x2V 110-A-5_06-2020-MD
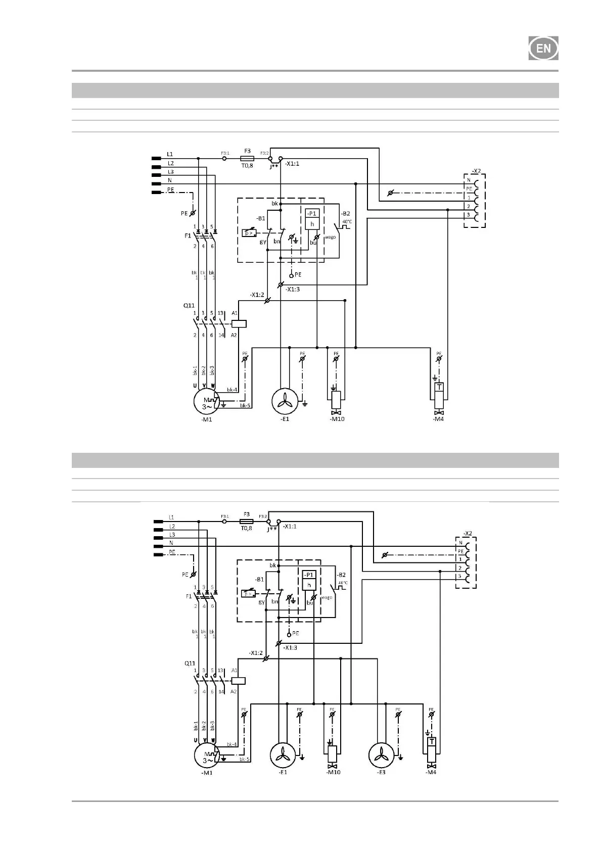
DK50 2V/50
6 - 8 bar
1/N/PE ~ 400V 50 Hz
ELECTRICAL MAINS TN-S [TN-C-S]
ELEKTRICAL OBJECT OF 1st. CAT.
DK50 2V/50/M
6 - 8 bar
1/N/PE ~ 400V 50 Hz
ELECTRICAL MAINS TN-S [TN-C-S]
ELEKTRICAL OBJECT OF 1st. CAT.

Table of Contents

Other manuals for EKOM DK50 2V/50

Related product manuals