EasyManua.ls Logo

EKOM DK50 2V/50 - Page 40

EKOM DK50 2V/50
164 pages
Print Icon
To Next Page IconTo Next Page
To Next Page IconTo Next Page
To Previous Page IconTo Previous Page
To Previous Page IconTo Previous Page
Loading...
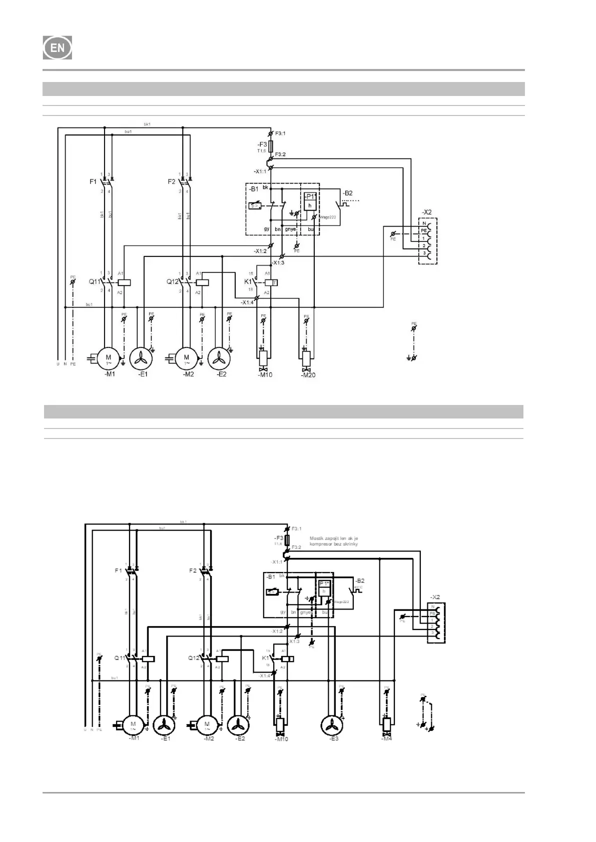
INSTALLATION
NP-DK50 2V 50, 2x2V 110-A-5_06-2020-MD 40 06/2020
DK50 2x2V/110
5 - 7 bar, 6 - 8 bar, 8 - 10 bar
1/N/PE 230 V, 50/60 Hz
ELEKTRICAL OBJECT OF 1st. CAT
DK50 2x2V/110/M
5 - 7 bar, 6 - 8 bar
1/N/PE 230 V, 50/60 Hz
ELEKTRICAL OBJECT OF 1st. CAT.

Table of Contents

Other manuals for EKOM DK50 2V/50

Related product manuals