EasyManua.ls Logo

EKOM DK50 2V/50 - Page 41

EKOM DK50 2V/50
164 pages
Print Icon
To Next Page IconTo Next Page
To Next Page IconTo Next Page
To Previous Page IconTo Previous Page
To Previous Page IconTo Previous Page
Loading...
INSTALLATION
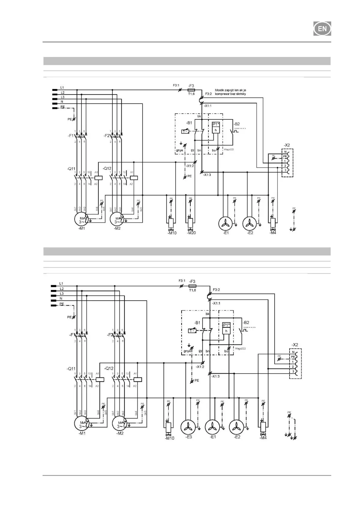
06/2020 41 NP-DK50 2V 50, 2x2V 110-A-5_06-2020-MD
DK50 2x2V/110
5 - 7 bar, 6 - 8 bar, 8 - 10 bar
1/N/PE 230 V, 50/60 Hz
ELEKTRICKAL OBJECT OF 1st. CAT
DK50 2x2V/110/M
5 - 7 bar, 6 - 8 bar, 8 10 bar
1/N/PE 230 V, 50/60 Hz
ELECTRICAL MAINS TN-S [TN-C-S]
ELECTRICAL OBJECT OF 1st. CAT.

Table of Contents

Other manuals for EKOM DK50 2V/50

Related product manuals