EasyManua.ls Logo

Electrolux T5675 N2 - Page 84

Electrolux T5675 N2
146 pages
Print Icon
To Next Page IconTo Next Page
To Next Page IconTo Next Page
To Previous Page IconTo Previous Page
To Previous Page IconTo Previous Page
Loading...
84
Service Manual
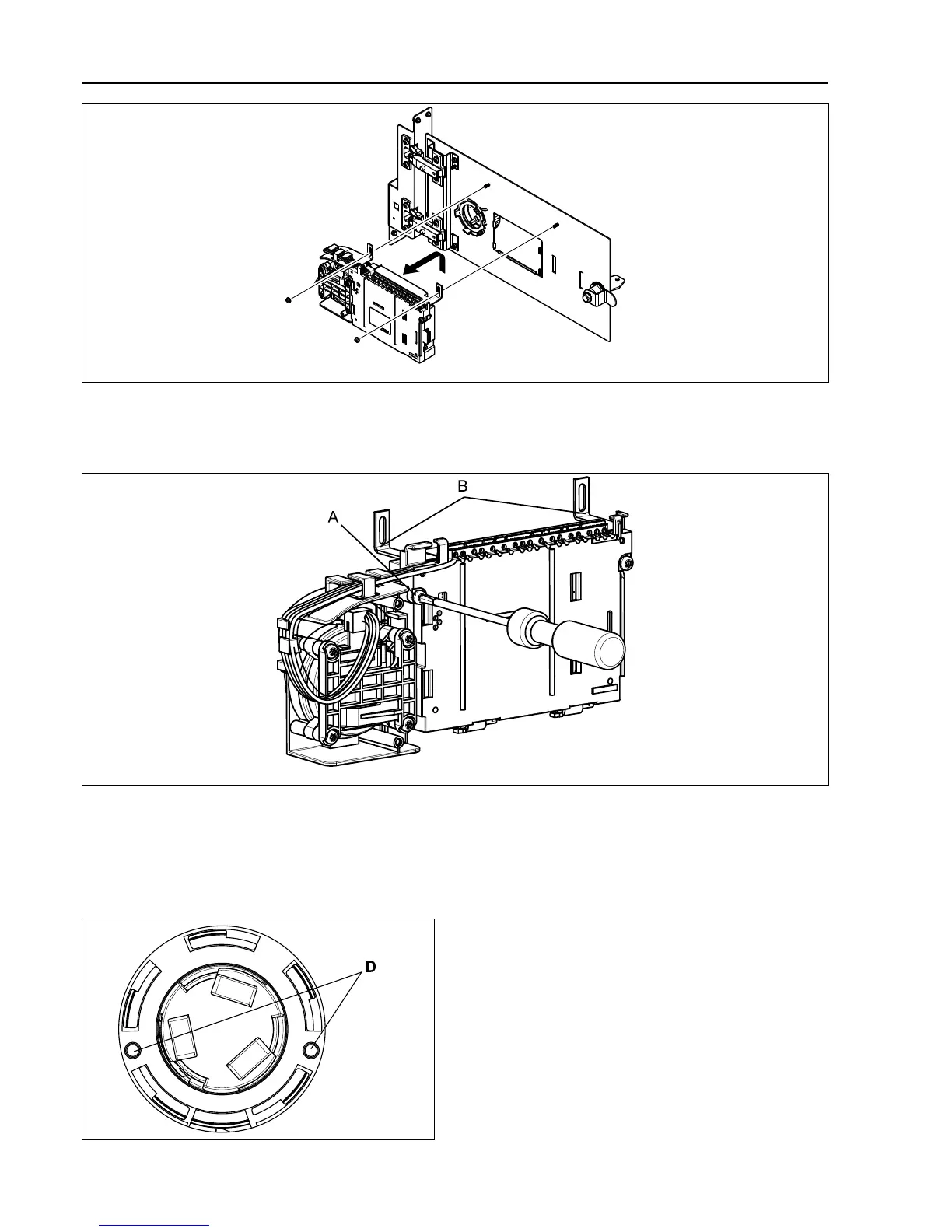
fig.7512
Demount the control knob unit from the control system CPU by unscrewing the screw (A) a bit (4–5 mm) until the con-
trol knob unit loosens.
Demount the two grounding brackets (B).
fig.7510
Mount the new control system CPU
Start by mounting the control knob unit on the control system CPU. Fasten the screw (A).
Mount the two grounding brackets (B) on the new control system CPU.
Mount the control system CPU in upper position. Insert the control knob unit and make sure that the guide pins (D)
are in position. Pull the control system CPU downwards. Fasten the nuts to the panel.

Table of Contents

Related product manuals