EasyManua.ls Logo

Eliwell RGF 312 - P Resentation

Eliwell RGF 312
54 pages
Print Icon
To Next Page IconTo Next Page
To Next Page IconTo Next Page
To Previous Page IconTo Previous Page
To Previous Page IconTo Previous Page
Loading...
RGF 300
5/53
Vdc
mA
NTC
1.0 P
RESENTATION
T
HANK YOU
for choosing an
rgf300
series three phase voltage regulator, designed specifically to give the
maximum yield and greatest ease of use.
Like all our products, it has been built to the very highest quality standards using electronic components of
the utmost reliability which have undergone functional tests that guarantee use of the product for at least
30,000
hours
of continuous operation without problem.
The
rgf300
regulator is a power unit designed to meet requirements of quality and flexibility of use in plants
and machines in which proportional variation of the speed of rotation of the fans is essential.
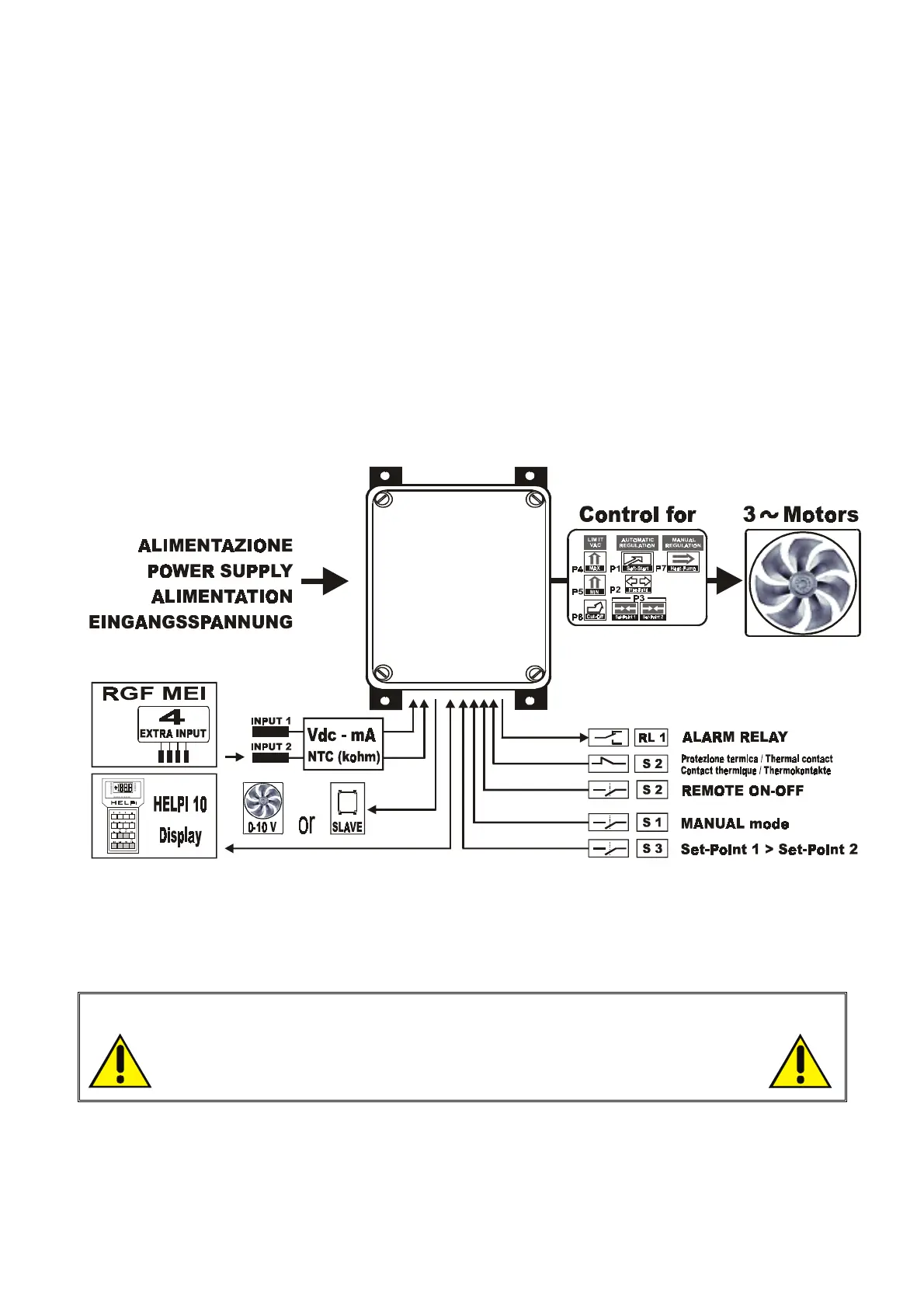
The regulator is housed in a
GEWISS GW Plast
120°C
case (
fig. 1
) which guarantees high heat resistance
during ordinary use (
120°C
), increased mechanical impact resistance (
IK = 08
) and a protection level (
IP55
)
that allows the regulator to be installed out of doors.
Inside the case there is a lexan protection panel displaying instructions for use and commissioning of the
rgf300
.
The
12A
rgf300
is shown in
fig. 1.
fig. 1
Before installing the device, you are invited to read this manual which describes the necessary
procedures for correct installation and commissioning of the machine.
rgf300

Related product manuals