EasyManua.ls Logo

emaldo Power Core - Meter Installation and Post-Installation Checks

emaldo Power Core
67 pages
Print Icon
To Next Page IconTo Next Page
To Next Page IconTo Next Page
To Previous Page IconTo Previous Page
To Previous Page IconTo Previous Page
Loading...
Emaldo Power Core User Manual
46
Copyright©EMALDO
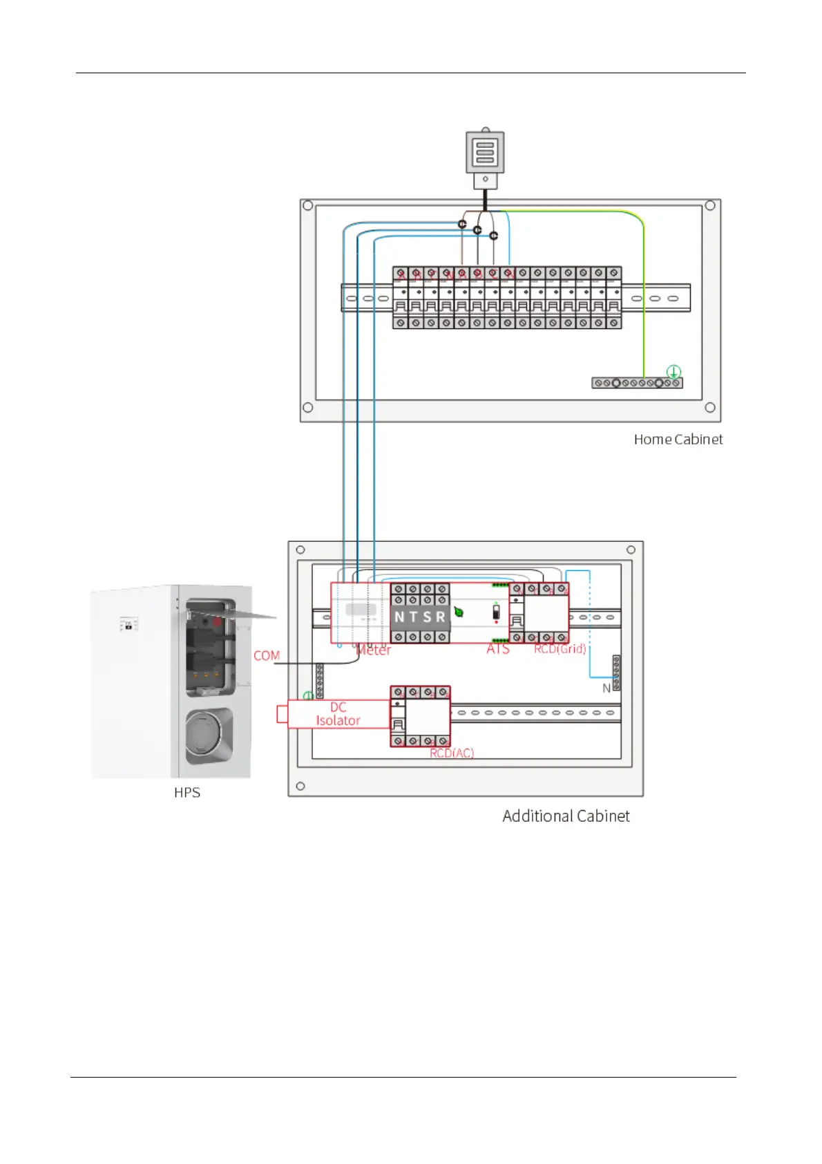
4.5 Installation of electricity meter
Step 1
Insert one end of the electricity meter communication cable RJ45 into the COM hole of the
leading-out cabin of Emaldo Power Core, and connect the other end into the corresponding
hole position of the electricity meter as per the line sequence.
Step 2
Install three open-type CTs onto the three-phase cable at the incoming line terminal of the
primary distribution box, and connect the sampling cable to the corresponding hole position of

Other manuals for emaldo Power Core

Related product manuals