EasyManua.ls Logo

Emerson 2401 - Page 111

Emerson 2401
200 pages
Print Icon
To Next Page IconTo Next Page
To Next Page IconTo Next Page
To Previous Page IconTo Previous Page
To Previous Page IconTo Previous Page
Loading...
Introduction
Parameter
x.00
Parameter
description format
Keypad and
display
Serial
communications
CT Modbus
RTU
PLC Ladder
programming
CTSoft Menu 0
Advanced parameter
descriptions
Menu 8
Commander SK Advanced User Guide 111
Issue Number: 9 www.controltechniques.com
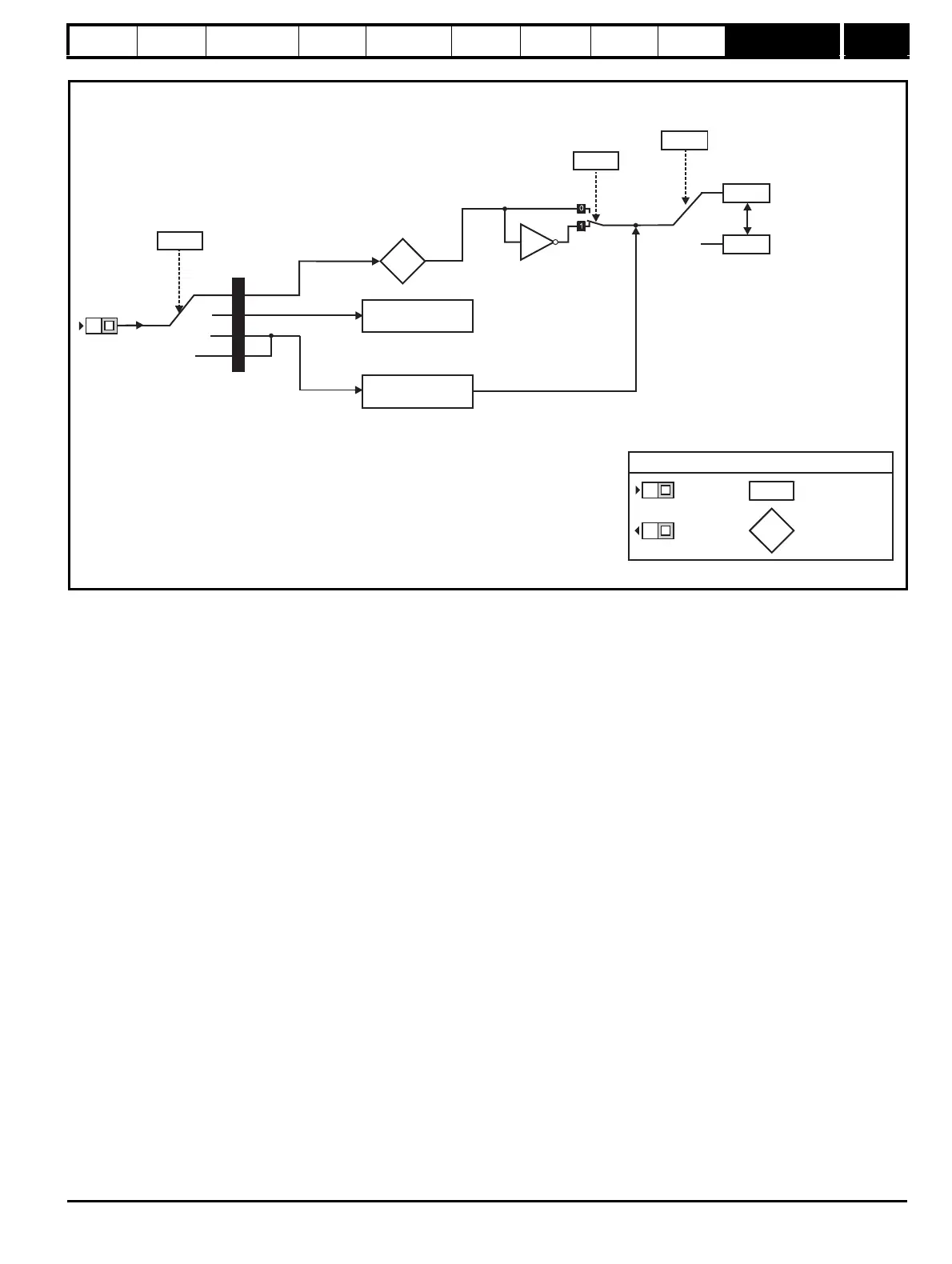
Figure 10-19 Menu 8B logic diagram
Motor thermistor
trip
Frequency input
Menu 3
8.05
Terminal B7
digital input state
8.15
8.25
0.00
21.51
Terminal B7
digital input
destination
Terminal B7
digital input invert
Default source
Local/Remote
(Defined by )
1.41
11.27
1
2
3
0
Mode select
Terminal B7
8.35
B7
XX
XX
Key
Read-write (RW)
parameter
Read-only (RO)
parameter
Input
terminals
Output
terminals
XX
XX
The parameters are all shown at their default settings

Table of Contents

Related product manuals