EasyManua.ls Logo

Emerson 2402 - 4 Keypad and Display; Programming Keys; Control Keys; Selecting and Changing Parameters

Emerson 2402
200 pages
Print Icon
To Next Page IconTo Next Page
To Next Page IconTo Next Page
To Previous Page IconTo Previous Page
To Previous Page IconTo Previous Page
Loading...
Introduction Parameter x.00
Parameter
description format
Keypad and
display
Serial
communications
CT Modbus
RTU
PLC Ladder
programming
CTSoft Menu 0
Advanced parameter
descriptions
10 Commander SK Advanced User Guide
www.controltechniques.com Issue Number: 9
4 Keypad and display
The keypad and display are used for the following:
Displaying the operating status of the drive
Displaying a fault or trip code
Reading and changing parameter values
Stopping, starting and resetting the drive
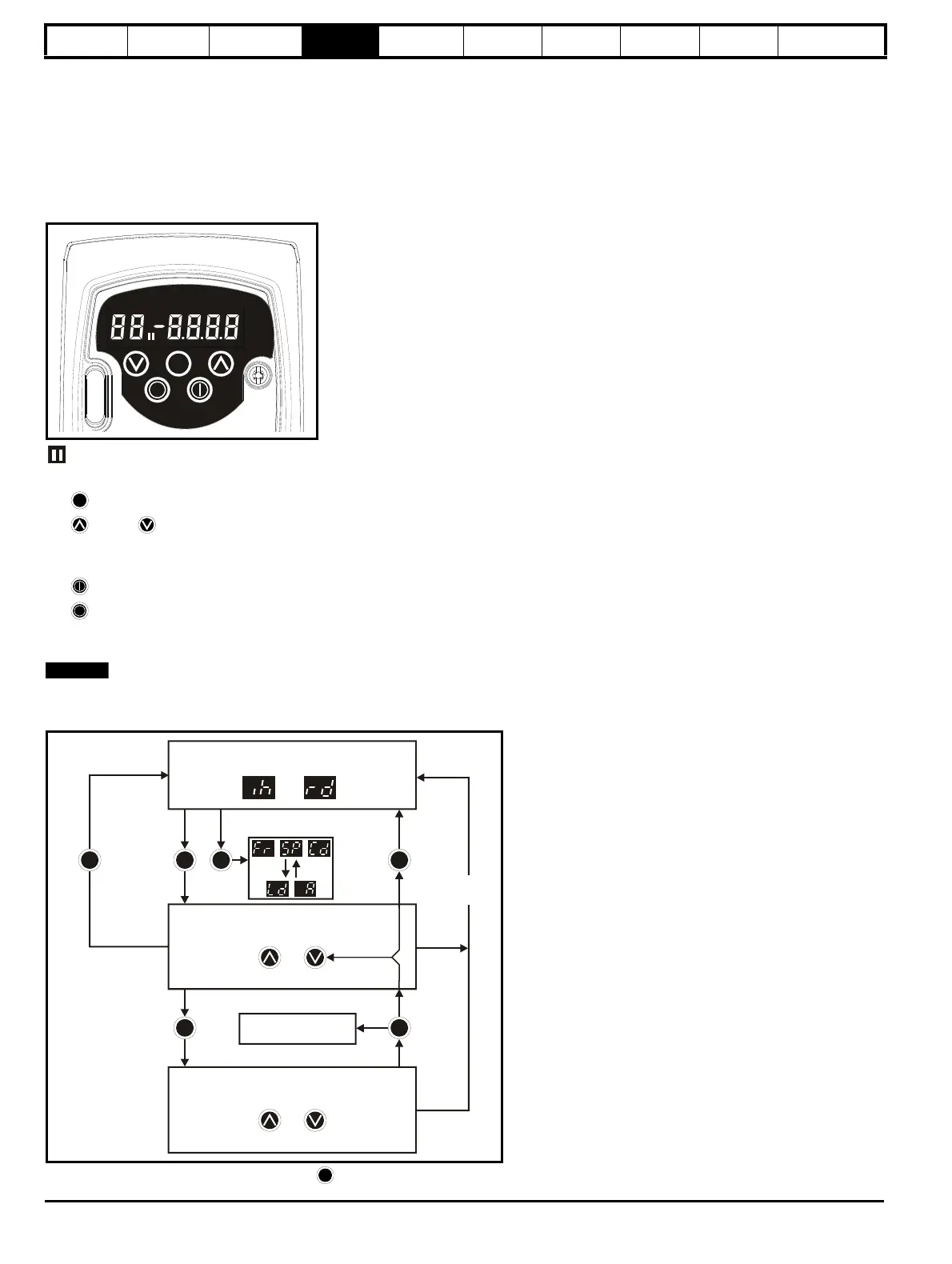
Figure 4-1 Keypad and display
on the display indicates if motor map 1 or 2 is selected.
4.1 Programming keys
The MODE key is used to change the mode of operation of the drive.
The UP and DOWN keys are used to select parameters and edit their values. In keypad mode, they are used to increase and decrease the
speed of the motor.
4.2 Control keys
The START key is used to start the drive in keypad mode.
The STOP/RESET key is used to stop and reset the drive in keypad mode. It can also be used to reset the drive in terminal mode.
4.3 Selecting and changing parameters
This procedure is written from the first power up of the drive and assumes no terminals have been connected, no parameters have been changed and
no security has been set.
Figure 4-2 Keypad control
When in Status mode, pressing and holding the MODE key for 2 seconds will change the display from displaying a speed indication to displaying
M
M
NOTE
M
STATUS MODE
or
PARAMETER VIEW MODE
Select parameter to view
orPress
Parameter number flashing
PARAMETER EDIT MODE
Change parameter value
orPress
Parameter value flashing
M M
Press and
hold for 2s
M M
Parameters
saved
Press and
release
M
Hold
for 2s
4 mins
timeout
/
/
/
M

Table of Contents

Related product manuals