EasyManua.ls Logo

Emerson 2402 - Page 57

Emerson 2402
200 pages
Print Icon
To Next Page IconTo Next Page
To Next Page IconTo Next Page
To Previous Page IconTo Previous Page
To Previous Page IconTo Previous Page
Loading...
Introduction
Parameter
x.00
Parameter
description format
Keypad and
display
Serial
communications
CT Modbus
RTU
PLC Ladder
programming
CTSoft Menu 0
Advanced parameter
descriptions
Menu 3
Commander SK Advanced User Guide 57
Issue Number: 9 www.controltechniques.com
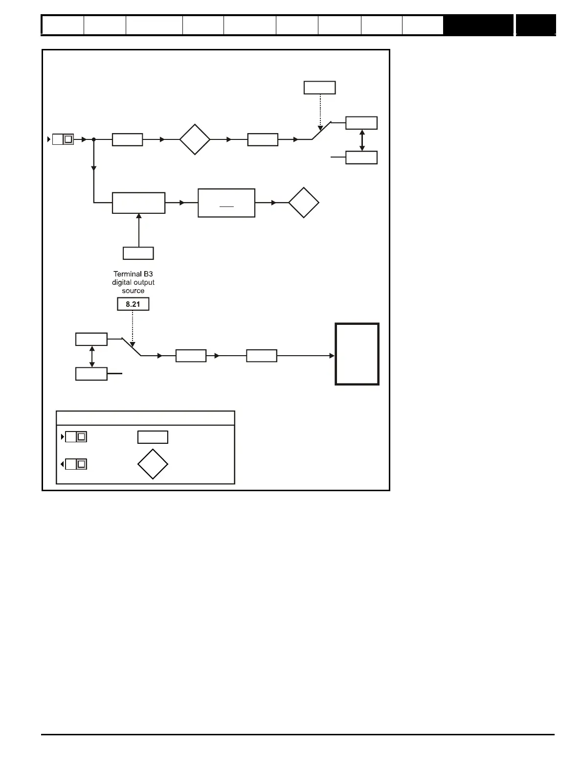
Figure 10-11 Menu 3B logic diagram
B7
3.43
Maximum
frequency
reference
3.45
Frequency
reference
3.44
Frequency
reference
scaling
8.25
Te rmin al B 7
digital input
destination
0.00
21.51
32 bit position
counter
Position scaling
3.33
3.34
3.29
Position
3.32
0.00
21.51
Frequency
output or PWM
output scaling
3.17
Menu 8A
PWM
Frequency
Maximum
output
frequency
3.18
XX
XX
Key
Read-write
(RW)
parameter
Read-only (RO)
parameter
Input
terminals
Output
terminals
XX
XX
Frequency
input
Reset
position

Table of Contents

Related product manuals