EasyManua.ls Logo

Emerson Rosemount OCX8800A - Page 15

Emerson Rosemount OCX8800A
328 pages
Print Icon
To Next Page IconTo Next Page
To Next Page IconTo Next Page
To Previous Page IconTo Previous Page
To Previous Page IconTo Previous Page
Loading...
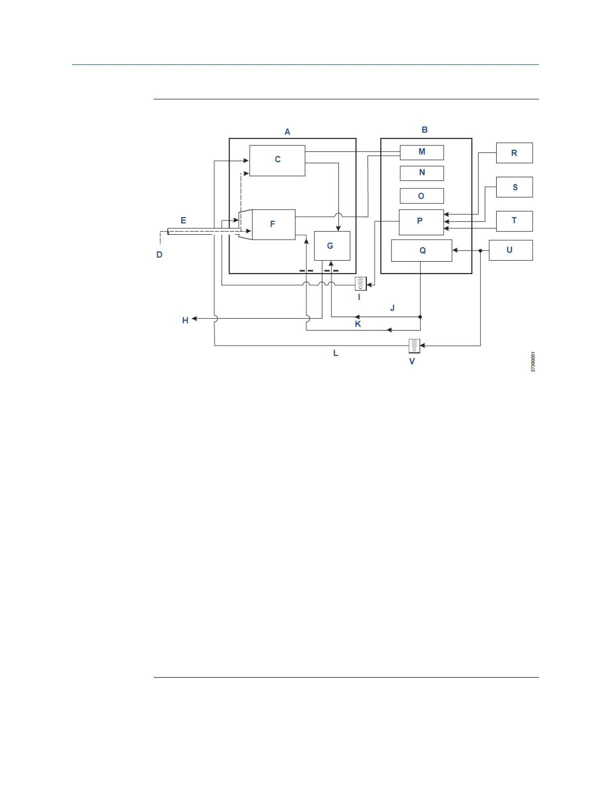
Figure 1-2: System Operation Diagram
A. Sensor housing
B. Electronics housing
C. COe combustibles sensor
D. Sample gas
E. Probe
F. O
2
sensor
G. Eductor
H. Exhaust
I. Flow meter 7 scfh
J. Eductor air
K. Reference air
L. Dilution air
M. CPU
N. HART
®
board
O. Power supply
P. Optional test gas solenoids
Q. Instrument air solenoid
R. Low O
2
test gas
S. High O
2
test gas
T. CO test gas
U. Instrument air
V. Flow meter 50 cc/min. (0.1 scfh)
Manual Description and specifications
00809-0500-4880 December 2022
Rosemount OCX8800A 15

Table of Contents

Related product manuals