EasyManua.ls Logo

Emerson Rosemount OCX8800A - Page 153

Emerson Rosemount OCX8800A
328 pages
Print Icon
To Next Page IconTo Next Page
To Next Page IconTo Next Page
To Previous Page IconTo Previous Page
To Previous Page IconTo Previous Page
Loading...
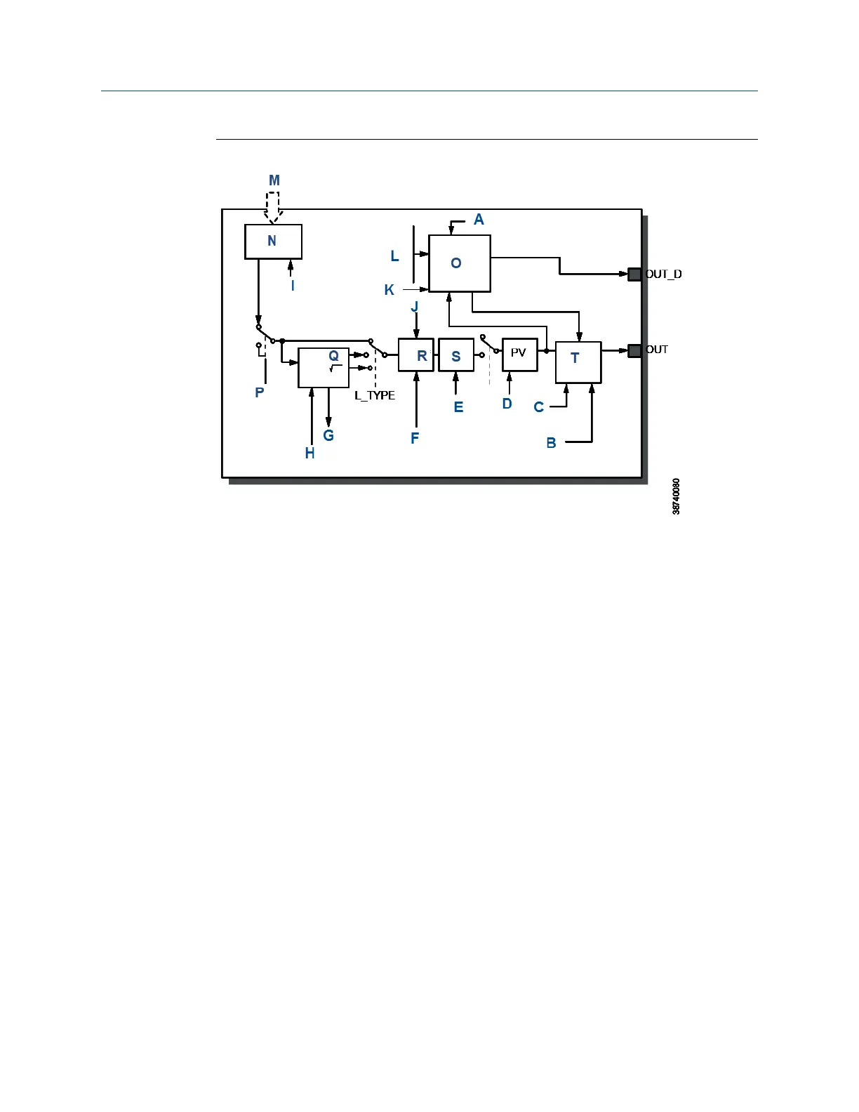
Figure 8-5: Analog Input Function Block Schematic
A. Alarm_type
B. Status_opts
C. Mode
D. Mode
E. PV_Ftime
F. IO_opts
G. Field_val
H. Out_scale
XD_scale
I. Channel
J. Low_cut
K. Alarm_hys
L. Hi_Hi_Lim
Hi_Lim
Lo_Lo_Lim
Lo_Lim
M. Access analog measurement
N. Alarm detection
O. Simulate
P. Convert
Q. Cutoff
R. Filter
S. Status calculation
Manual
FOUNDATION
Fieldbus
00809-0500-4880 December 2022
Rosemount OCX8800A 153

Table of Contents

Related product manuals