EasyManua.ls Logo

Emerson SP4402 - Page 10

Emerson SP4402
220 pages
Print Icon
To Next Page IconTo Next Page
To Next Page IconTo Next Page
To Previous Page IconTo Previous Page
To Previous Page IconTo Previous Page
Loading...
Safety
Information
Introduction
Product
information
System
design
Mechanical
installation
Electrical
installation
Getting
started
Optimisation Parameters
Tec h nica l
data
Component
sizing
Diagnostics
10 Unidrive SP Regen Installation Guide
www.controltechniques.com Issue Number: 2
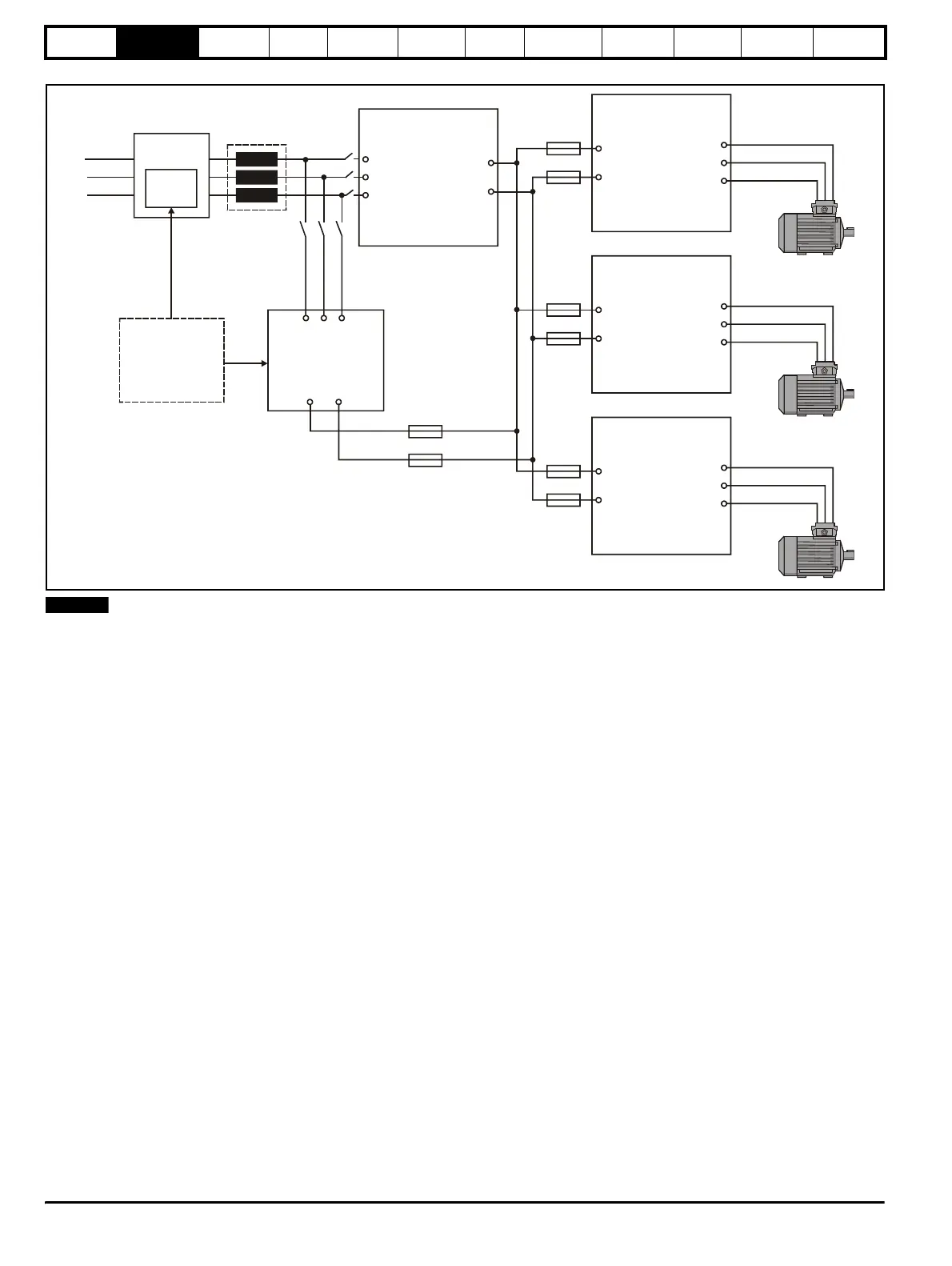
Figure 2-4 Single Regen, multiple motoring system
For a single Regen and multiple motoring drive arrangement optional charging circuits can be used for the increased inrush current generated by the
additional capacitance of the multiple motoring drives. The charging circuit can consist of either a Unidrive SPMC rectifier module or an external
charging resistor as detailed in Chapter 4 System design
Regen drive
L1
L2
L3
Additional
circuitry
Regen
inductor
U
V
W
AC supply
connection
U
+DC
-DC
Motoring drive 2
+DC
-DC
U
U
W
V
Motoring drive 3
+DC
-DC
U
U
W
V
Motoring drive 1
+DC
-DC
U
U
W
V
External
charging
circuit
Unidrive
SPMC
Charging circuit can
consist of either
Unidrive SPMC
solution or external
charging circuit as
detailed in Chapter 4
System Design
+DC -DC
L1 L2 L3
Common DC Bus
connections
Motor
connection
Motor
connection
Motor
connection
NOTE

Table of Contents

Related product manuals