EasyManua.ls Logo

Emerson SP4402 - Unidrive SP Size 2 Power Connections

Emerson SP4402
220 pages
Print Icon
To Next Page IconTo Next Page
To Next Page IconTo Next Page
To Previous Page IconTo Previous Page
To Previous Page IconTo Previous Page
Loading...
Safety
Information
Introduction
Product
information
System
design
Mechanical
installation
Electrical
installation
Getting
started
Optimisation Parameters
Tec h nic a l
data
Component
sizing
Diagnostics
Unidrive SP Regen Installation Guide 67
Issue Number: 2 www.controltechniques.com
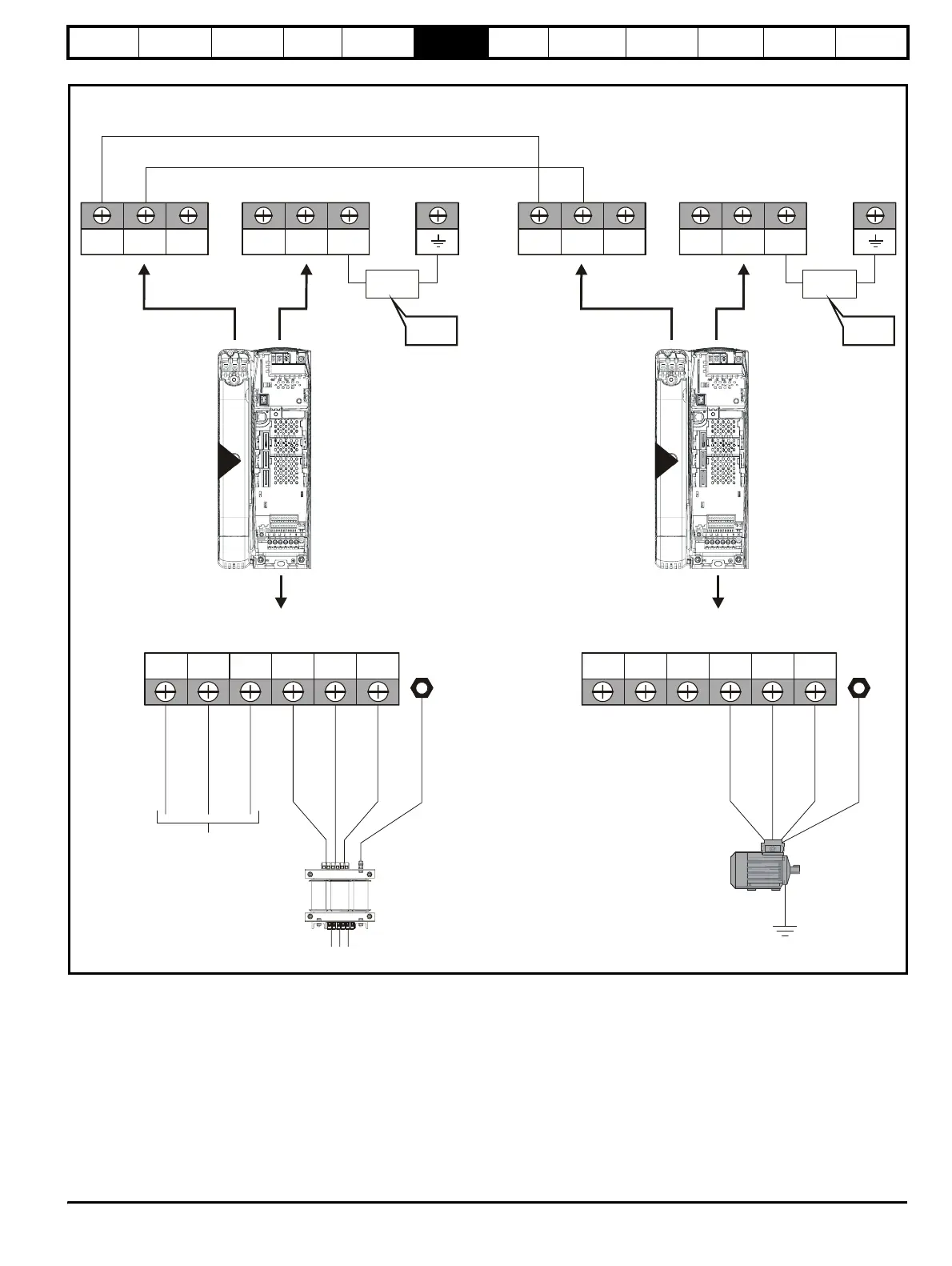
Figure 6-2 Unidrive SP size 2 power connections
If the heatsink mounted resistor is used (size 1 and 2 only), an overload
protection device is not required. The resistor is designed to fail safely
under fault conditions.
See Figure 6-8 for further information on ground connections.
2
L2L1 L3 U V W PE
AC supply connections
BRDC1 DC2 48V -DC +DC
Internal
EMC filter
DC1 =
DC2 = +
-
To be
removed
L1, L2, L3
(Refer to Chapter 4
)System design
2
L2L1 L3 U V W PE
BRDC1 DC2
D
C
connections
(High current DC to motoring drive[s])
48V -DC +DC
Internal
EMC filter
DC1 =
DC2 = +
-
To be
removed
Motor
Optional ground
co
nn
ec
ti
o
n
Regen drive
Motoring drive
Vac supply
Motor connections

Table of Contents

Related product manuals