EasyManua.ls Logo

Emerson SP4402 - Menu 6: Clock

Emerson SP4402
220 pages
Print Icon
To Next Page IconTo Next Page
To Next Page IconTo Next Page
To Previous Page IconTo Previous Page
To Previous Page IconTo Previous Page
Loading...
Safety
Information
Introduction
Product
information
System
design
Mechanical
installation
Electrical
installation
Getting
started
Optimisation
Parameters
Techn i cal
data
Component
sizing
Diagnostics
Unidrive SP Regen Installation Guide 111
Issue Number: 2 www.controltechniques.com
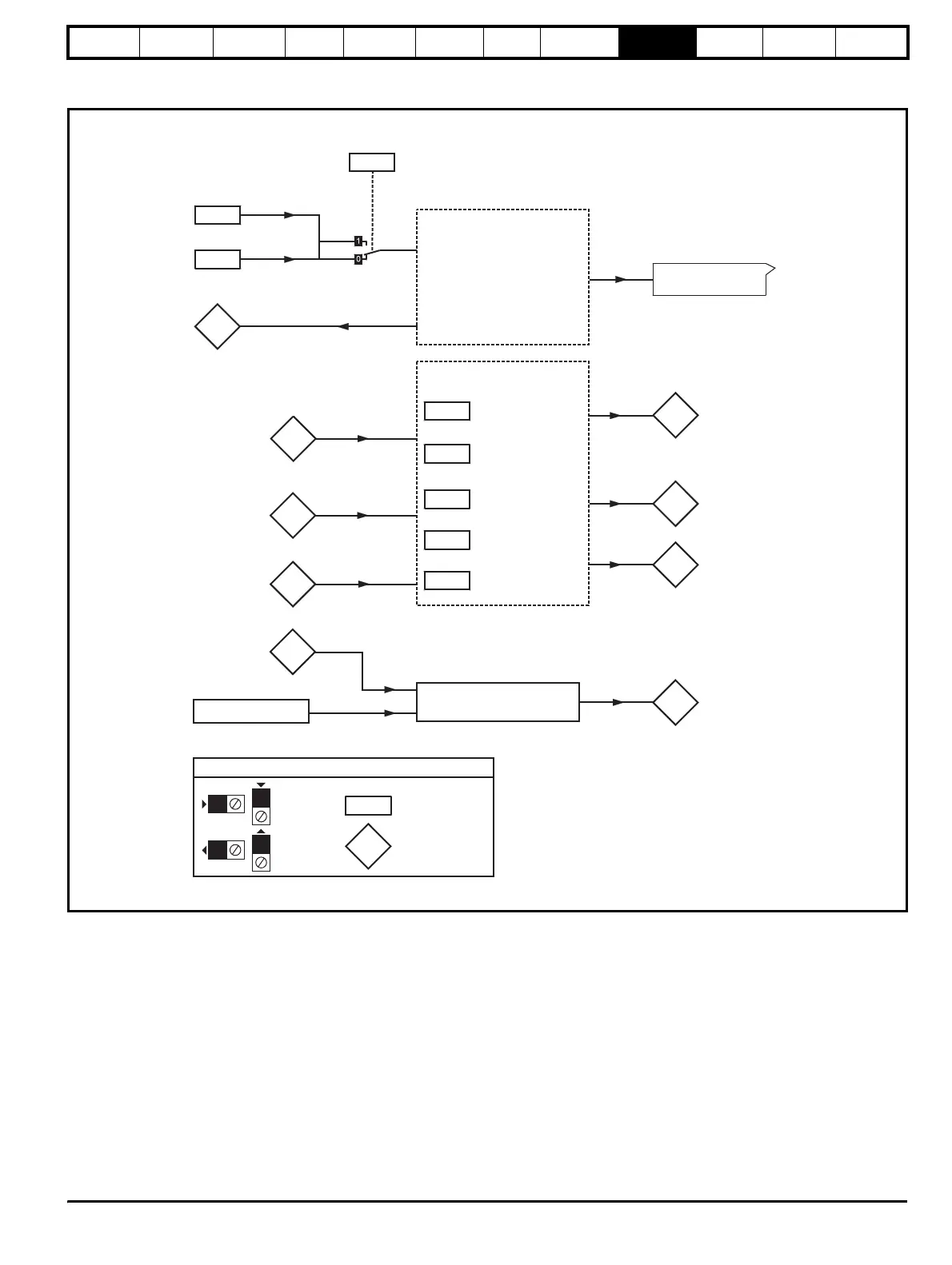
9.6 Menu 6: Clock
Figure 9-5 Menu 6 logic diagram
6.15
6.42
6.17
Power consumption
meter reset
6.18
Time interval between
filter changes
6.19
Filter change
required/done
6.28
Select clock for trip
log time stamp
6.16
Electricity cost
per kWh
Clock control
6.24
6.25
Power meter
6.26 Running cost
6.27 Time before filter
change due
Inverter enable
6.20
6.21
Power-up
time
6.22
6.23
Run-time
5.03
Total motor
power
0.XX
0.XX
Key
Read-write (RW)
parameter
Read-only (RO)
parameter
Input
terminals
Output
terminals
X
X
X
X
The parameters are all shown at their default settings
6.43
Drive enable
Control word
Control word
enable
Sequencer
5.05
DC link voltage
Low voltage supply
Drive power supply monitor
6.44
Active supply
6.29
Hardware
enable

Table of Contents

Related product manuals