EasyManua.ls Logo

Enerdrive DC2DC - Appendix A3: CH1 Program Battery Configuration; CH1 Program Battery Type Selection; CH1 Program Bulk Voltage Setting; CH1 Program Float Voltage Setting

Enerdrive DC2DC
40 pages
Print Icon
To Next Page IconTo Next Page
To Next Page IconTo Next Page
To Previous Page IconTo Previous Page
To Previous Page IconTo Previous Page
Loading...
Appendix A3
VERSION: REV. 01 - March 2015
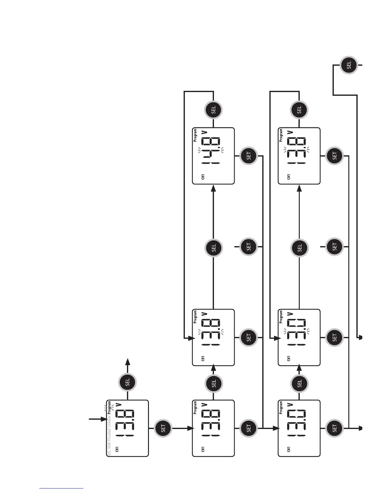
Charger conguration is a simple step by step process as shown below.
For Tech Support call Enerdrive on 1300 851 535
NOTE: The current setting below is based on the EN3DC30 battery charger.
Press SEL
to return to
change current
CH1 BULK
VOLTAGE
CH1 FLOAT
VOLTAGE
Display shows Program & Bulk
Voltage as currently set.
Display shows the Float
voltage for Program.
Press SEL
to return to
change voltage
Press SEL
to return to
change voltage
Back to Appendix A1
Battery Type
Continues from
Appendix A2
CH1 Battery Type Menu
Press SEL
to change
battery type
Press SET to keep the
current setting and
toggle to the next menu
Press SET to keep the
current setting and
toggle to the next menu
Press SET to keep the
current setting and
toggle to the next menu
Press SET to keep the
current setting and
toggle to the next menu
Press SET to keep the
current setting and
toggle to the next menu
Press SET to keep the
current setting and
toggle to the next menu
Press SET to keep the
current setting and
toggle to the next menu
Press SET to keep the
current setting and
toggle to the next menu
Press SET to keep the
current setting and
toggle to the next menu
Press SEL
to enter
Voltage Menu
Press SEL
to enter
Voltage Menu
Press SEL to change voltage
(13.0V to 13.8V in 0.1V steps)
Press SEL to change voltage
(13.8V to 14.8V in 0.1V steps)

Related product manuals