EasyManua.ls Logo

Erbe VIO 300 D - Block Diagram VIO 200 D

Erbe VIO 300 D
144 pages
Print Icon
To Next Page IconTo Next Page
To Next Page IconTo Next Page
To Previous Page IconTo Previous Page
To Previous Page IconTo Previous Page
Loading...
23 / 144
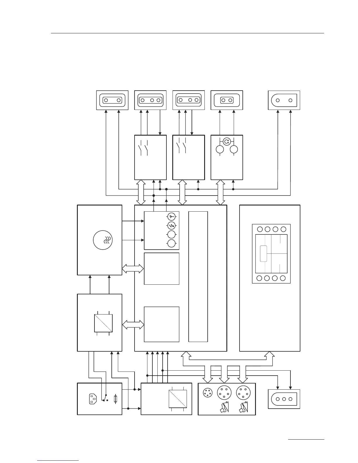
5 • Circuit Descriptions
Art.-Nr.: 80116-271
04.06
Block diagram VIO 200 D
Fig. 5-2
SCI
SCI
SPI
115 V
230 V
AC
DC
AC
DC
ECB
1
2
AE NE
AE
NE
AE
NE
AE
NE
A
A
LN
CUT
COAG
NE1
NE2
EC
B
E
RBE
Com
munica
t
ion Bus
Power Supply HF generator
CPU + Sensors
Line Input
l.v.supply
Power Supply
Control
Generator
Control
CPLD
Sensors
Controller Unit
IIF
NESSY2
User Interface
AE
NE
Display
Keyboard
Power PC
Operating
Voltages
AK
AE
NE
AK
Instrument
Interface
V
A
IIF
Instrument
Interface
G
0...450V
0...3,5A
230V 50Hz
115V 60Hz
BIPOLAR
MONOPOLAR
/BIPOLAR
MONOPOLAR
NEUTRAL
Connector
to APC2
AK: Aktivierungserkennung
activation recognition
+5V
+15V
+24V
0V
-15V
Connector
to APC2

Table of Contents